Operation CHARM: Car repair manuals for everyone.
Manuals through 2025 now available!

Our trusted friends have launched a new website named LEMON, which has newer manuals. It also contains all the CHARM manuals.

LEMON is the spiritual successor to CHARM, I recommend you try it!

Link: lemon-manuals.la or lemon-manuals.org.ua

(Some people have issue connecting. LEMON is investigating. For now, use Firefox or change your DNS server)

Or, hide this message: temporarily or permanently

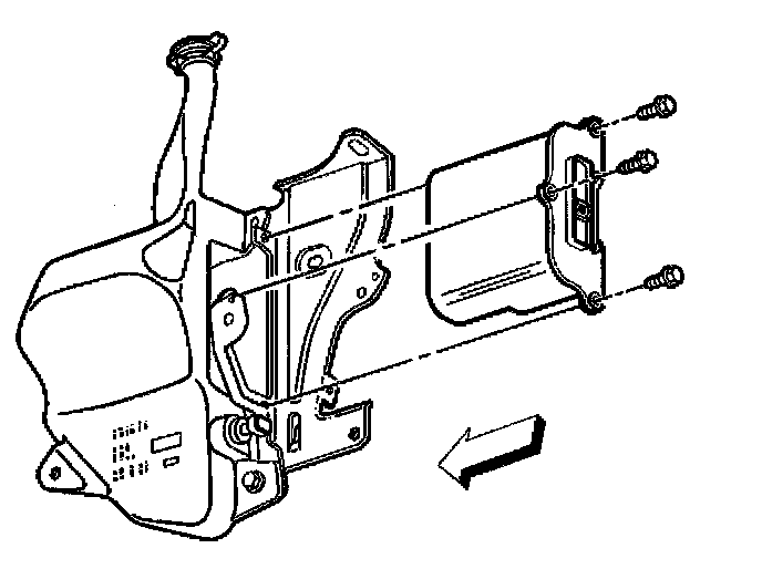
Electronic Brake Control Module: Service and Repair

REMOVAL PROCEDURE





1. Remove the left front tire and wheel assembly.
2. Remove the inner splash shield.
3. Disconnect the EBCM electrical connector.





4. Disconnect the EBCM harness from the bracket.





5. Remove the EBCM mounting screws from the bracket.
6. Remove the EBCM from the vehicle.

INSTALLATION PROCEDURE





1. Install the EBCM to vehicle.

NOTICE: Refer to Fastener Notice in Service Precautions.

2. Install the mounting screws attaching the EBCM to bracket.
^ Tighten the attaching screws to 11 Nm (97 inch lbs.).





3. Connect the EBCM harness to the bracket.





4. Connect the EBCM electrical connector.
5. Install the inner splash shield.
6. Install the left front tire and wheel assembly.
7. Perform the A Diagnostic System Check - ABS.