Operation CHARM: Car repair manuals for everyone.
Manuals through 2025 now available!

Our trusted friends have launched a new website named LEMON, which has newer manuals. It also contains all the CHARM manuals.

LEMON is the spiritual successor to CHARM, I recommend you try it!

Link: lemon-manuals.la or lemon-manuals.org.ua

(Some people have issue connecting. LEMON is investigating. For now, use Firefox or change your DNS server)

Or, hide this message: temporarily or permanently

Cruise Control Module: Service and Repair

REMOVAL PROCEDURE
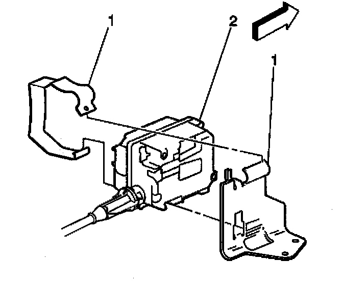
^ The cruise control module assembly is mounted on the right front inner fender well.
^ The module assembly varies the throttle with each cruise control mode using the following components:
- An electric controller
- An electric stepper motor
^ Service the module as an assembly.

CAUTION: Refer to Battery Disconnect Caution in Cautions and Notices.

1. Disconnect the negative battery cable.
2. Remove the cruise control cable at the engine bracket and the throttle body injection (TBI) cam.
3. Remove the cruise control cable from the module assembly.
4. Disconnect the electrical connector from the module assembly.




5. Unclip the hinged retaining strap from the bracket (1) at the top of the module.




6. Remove the module (3) from the mounting bracket.
7. Remove the bolts (1) from the mounting bracket.
8. Remove the mounting bracket from the right front inner fender well (2).

INSTALLATION PROCEDURE



1. Install the mounting bracket to the front inner fender well (2).
2. Install the bolts (1) to the mounting bracket.

NOTE: Refer to Fastener Notice in Cautions and Notices.

Tighten
Tighten the mounting bracket retaining bolts to 10 N.m (89 lb in).




3. Install the module assembly (2) to the mounting bracket (1).
4. Connect the electrical connector to the module (2).
5. Connect the cruise control cable to the module assembly.
6. Connect the cruise control cable to the engine bracket and the TBI cam.
7. Adjust the cruise control cable.
8. Connect the negative battery cable.