Operation CHARM: Car repair manuals for everyone.
Manuals through 2025 now available!

Our trusted friends have launched a new website named LEMON, which has newer manuals. It also contains all the CHARM manuals.

LEMON is the spiritual successor to CHARM, I recommend you try it!

Link: lemon-manuals.la or lemon-manuals.org.ua

(Some people have issue connecting. LEMON is investigating. For now, use Firefox or change your DNS server)

Or, hide this message: temporarily or permanently

Body Control Systems



BODY CONTROL SYSTEM SCHEMATICS

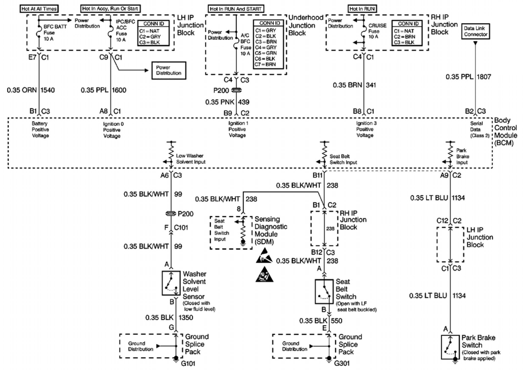
SDM, Washer Solvent Lever Sensor, Seat Belt Switch and Park Brake Switch







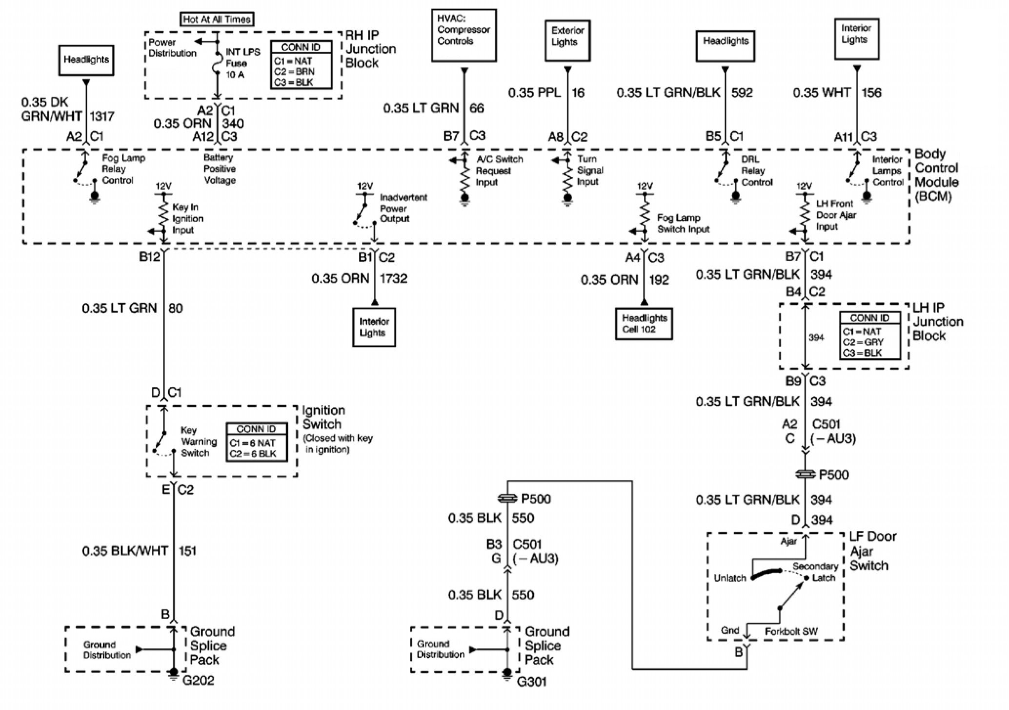
Ignition Switch and Left Front Door Ajar Switch







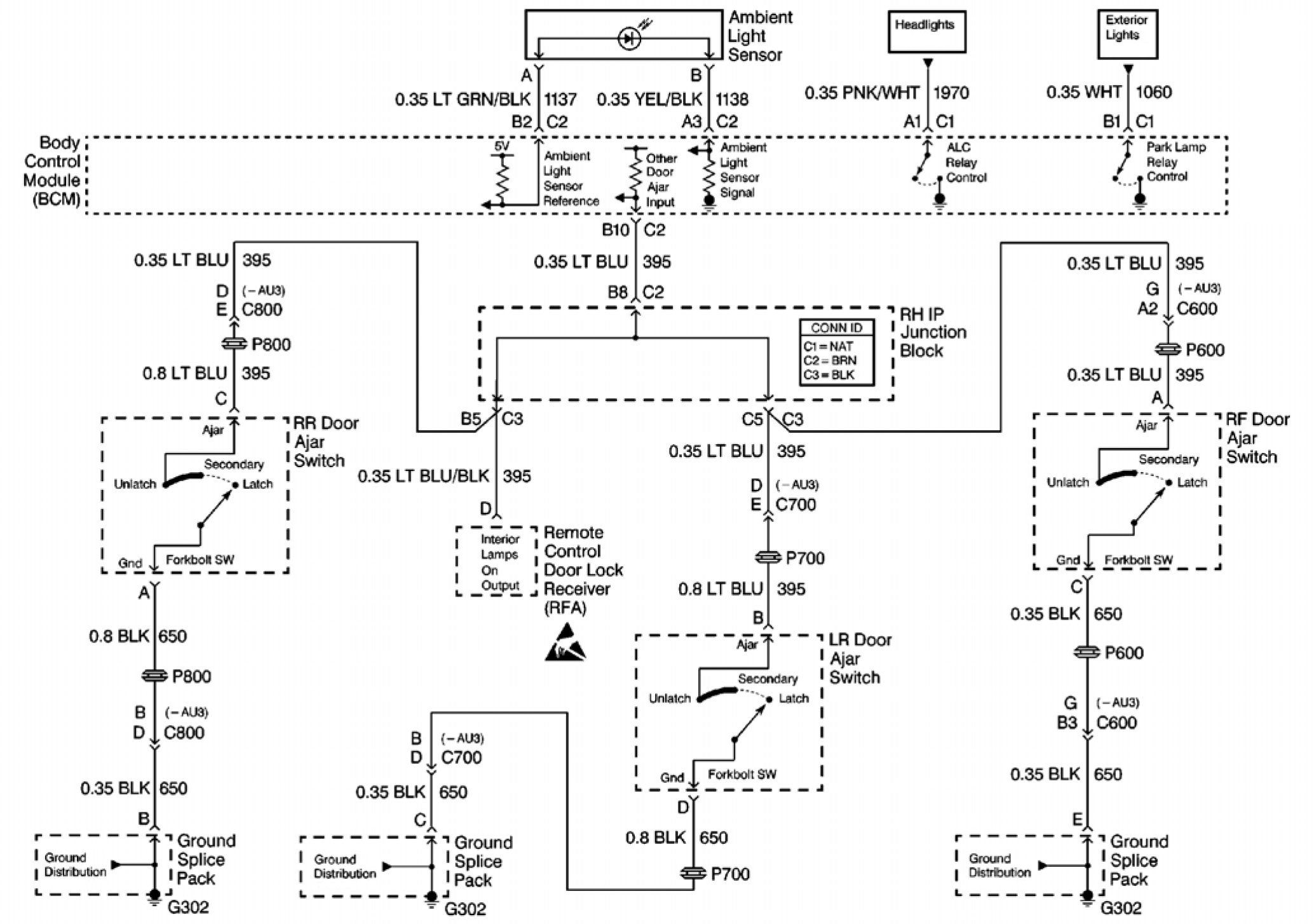
Remote Control Door Lock Receiver and Right Rear, Left Rear, Right Front Door Ajar Switches







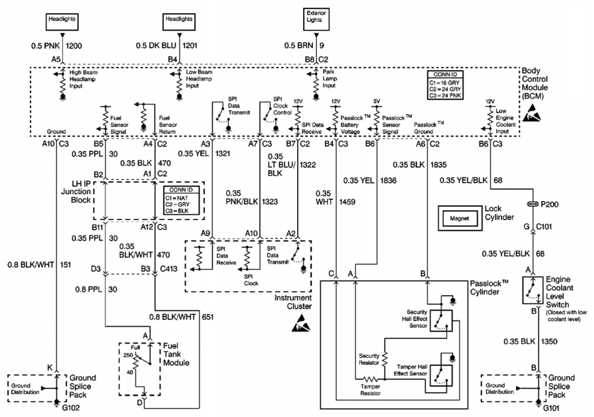
Fuel Tank Module, Instrument Cluster and Passlock ™ Cylinder







Power Distribution Diagrams Power Distribution Diagrams

Ground Distribution Diagrams Ground Distribution Diagrams

Data Link Connector Diagrams Electrical Diagrams

Headlights Diagrams Headlights

HVAC Compressor Controls Diagrams HVAC Compressor Control Schematics

Exterior Lights Diagrams Exterior Lights

Interior Lights Diagrams Electrical Diagrams