Operation CHARM: Car repair manuals for everyone.
Manuals through 2025 now available!

Our trusted friends have launched a new website named LEMON, which has newer manuals. It also contains all the CHARM manuals.

LEMON is the spiritual successor to CHARM, I recommend you try it!

Link: lemon-manuals.la or lemon-manuals.org.ua

(Some people have issue connecting. LEMON is investigating. For now, use Firefox or change your DNS server)

Or, hide this message: temporarily or permanently

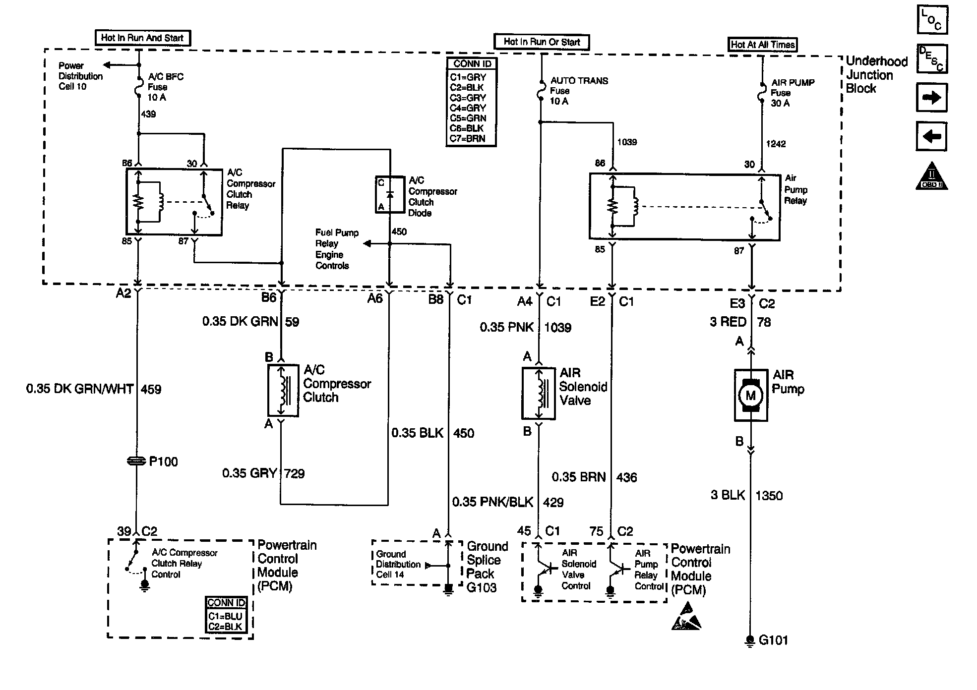
A/C Compressor Control Circuit Diagnosis












Circuit Description
The PCM receives an A/C request signal from the Body Function Controller (BFC) over the Class II serial data line. When A/C is requested, the Powertrain Control Module (PCM) provides a ground path to the A/C clutch relay control circuit. When the relay circuit is grounded, the A/C compressor clutch relay is energized.

The PCM will enable the A/C compressor clutch whenever the engine is running and the A/C has been requested, unless any of the following conditions are met:
^ Throttle greater than 96%.
^ A/C Pressure Sensor greater than 440 psi (4.6 volts) or less than 35 psi (0.35 volt) (as determined by the A/C Pressure Sensor).
^ Ignition voltage below 10 volts.
^ Engine speed greater than 4700 RPM.
^ ECT greater than 125°C (257°F).
^ IAT less than 5°C (41°F).
^ Class II communication error between the BFC and the PCM