Operation CHARM: Car repair manuals for everyone.
Manuals through 2025 now available!

Our trusted friends have launched a new website named LEMON, which has newer manuals. It also contains all the CHARM manuals.

LEMON is the spiritual successor to CHARM, I recommend you try it!

Link: lemon-manuals.la or lemon-manuals.org.ua

(Some people have issue connecting. LEMON is investigating. For now, use Firefox or change your DNS server)

Or, hide this message: temporarily or permanently

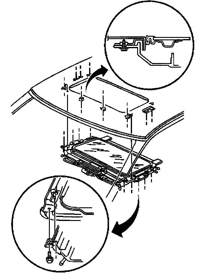
Power Sunroof Module Replacement




REMOVAL PROCEDURE
1. Close the sunroof.
2. Remove the headlining trim finish panel.
3. Disconnect the electrical connector from the following components:
^ The sunroof actuator
^ The sunroof express module
4. Disconnect the following connections from the sunroof housing:
4.1. The rear drain hose connections
4.2. The front drain hose connections
5. Remove the sunroof module bolts.
6. Remove the sunroof module from the vehicle through the door opening.

INSTALLATION PROCEDURE
1. Install the sunroof module to the vehicle through the door opening.

NOTE: Refer to Fastener Notice in Cautions and Notices.

2. Install the sunroof module bolts.

Tighten
Tighten the sunroof module bolts to 10 N.m (89 lb in).

3. Connect the following connections to the sunroof housing:
3.1. The front drain hose connections
3.2. The rear drain hose connections
4. Connect the electrical connector to the following components:
^ The sunroof actuator
^ The sunroof express module
5. Install the headlining trim finish panel.
6. Inspect the sunroof for proper operation.