Operation CHARM: Car repair manuals for everyone.
Manuals through 2025 now available!

Our trusted friends have launched a new website named LEMON, which has newer manuals. It also contains all the CHARM manuals.

LEMON is the spiritual successor to CHARM, I recommend you try it!

Link: lemon-manuals.la or lemon-manuals.org.ua

(Some people have issue connecting. LEMON is investigating. For now, use Firefox or change your DNS server)

Or, hide this message: temporarily or permanently

Functional Check


















Circuit Description
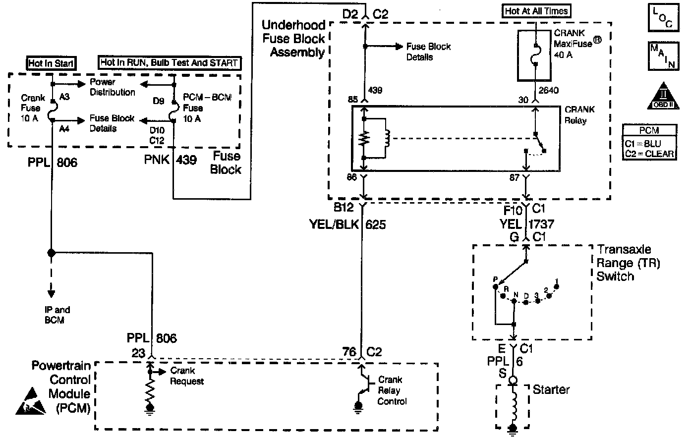
The PCM controlled starter system consists of the following components:
^ The Ignition switch The Crank Request circuit
^ The PCM
^ The Crank relay
^ The Transaxle Range switch
^ The Starter solenoid
When the Ignition switch is turned to the Crank position, B+ is sent to the PCM via the Crank Request circuit. The PCM has the ability to disallow starter operation if conditions inappropriate for starter operation exist. The PCM will disable the starter under the following conditions:
^ The engine is running
^ A correct VTD password is not received from the BCM
^ The vehicle operator continues to engage the starter for an extended period of time
If no inhibiting conditions are present, and the PCM detects voltage on the Crank Request circuit, the PCM grounds the Crank Relay Control circuit. Current from the Crank Maxifuse flows through the relay through the Transaxle Range switch (only in P/N) to the Starter solenoid.

Diagnostic Aids
This diagnostic procedure is intended to identify electrical malfunctions within the PCM controlled portion of the starting system.
Use the Connector Test Adapter Kit J 35616-A for any test that requires probing the PCM harness connectors, electrical center fuse/relay cavities, component terminals or a component harness connector. Using this kit will prevent damage caused by improper probing of connector terminals. If the problem is intermittent, refer to Intermittent Conditions for diagnosis. Intermittent Conditions

Relay Terminal Identification
Use the following relay cavity table in order to locate the correct cavities to probe during diagnosis. The table layout corresponds to the cavity layout in the Underhood Accessory Wiring Junction Block. Four blade relays can be inserted two ways. Use the table and NOT the numbering on the relay to avoid probing incorrectly.

Test Description
Number(s) below refer to the step number(s) on the Diagnostic Table:
2. Ensure that there are no problems with the battery or the battery connections before attempting starter diagnosis. If the battery required a charge, but was Otherwise OK, check for a charging system problem or for a parasitic drain. Refer to Charging System Check or Battery Electrical Drain/Parasitic Load in Starting and Charging.
6. If the status of the Starter Enable Relay (Crank relay) indicates anything Other than OK with the key in either position, there is a problem with the Crank relay control circuit.
7. Make sure that the transmission is in Park/Neutral.
8. Check for poor connections/terminal tension at the fuse. Refer to Intermittents and Poor Connections Diagnosis.