Operation CHARM: Car repair manuals for everyone.
Manuals through 2025 now available!

Our trusted friends have launched a new website named LEMON, which has newer manuals. It also contains all the CHARM manuals.

LEMON is the spiritual successor to CHARM, I recommend you try it!

Link: lemon-manuals.la or lemon-manuals.org.ua

(Some people have issue connecting. LEMON is investigating. For now, use Firefox or change your DNS server)

Or, hide this message: temporarily or permanently

Installing Engine Support Fixture

INSTALLATION PROCEDURE

^ Tools Required
- J 28467-90A Engine Support Adapters
- J 28467-B Universal Engine Support Fixture





1. Raise the hood.
2. Disconnect the battery ground (negative) cable.
3. Install the engine support adapters (J 28467-90A) onto the strut attaching studs.





4. Install the strut tower support assemblies (J 28467-5A) over the engine support adapters (J 28467-90A).





5. Install the wing nuts to the engine support adapters (J 28467-90A).





6. Install the strut tower tube (J 28467-3) into the strut tower support assemblies (J 28467-5A).





7. Install the 1/2 inch x 2.5 inch quick release pin (J 28467-10) through the strut tower support assemblies (J 28467-5A) and the strut tower tube (J 28467-3) on one side only.





8. Install the radiator shelf tube (J 28467-2A) on the top of the strut tower tube (J 28467-3) on the driver side.
9. Install the round tube of the front support assembly (J 28467-4A) through the large hole in the radiator shelf tube (J 28467-2A).





10. Install the 7/16 inch x 2.0 inch quick release pin (J 28467-9) through the hole in the front support assembly (J 28467-4A) in order to level the radiator shelf tube (J 28467-2A).





11. Install the cross bracket assembly (J 28467-1A).
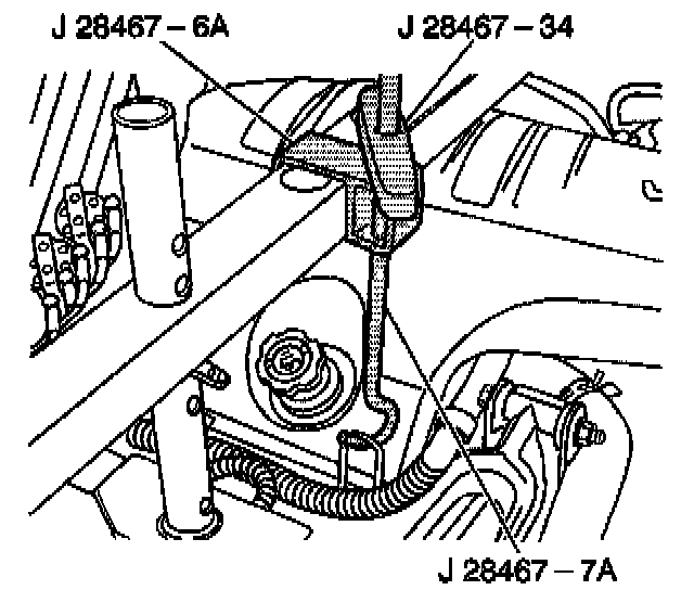
12. Install the lift hook (J 28467-7A) through the lift hook bracket (J 28467-6A).
13. Install the 1/2 inch lift hook washer and lift hook wing nut (J 28467-34) onto the lift hook (J 28467-7A).
14. Install the assembled lift hook bracket (J 28467-6A) over the passenger side radiator shelf tube (J 28467-2A).





15. Adjust the passenger side radiator shelf tube (J 28467-2A) and the assembled lift hook bracket (J 28467-6A) in order to align the hook with the left (front), rear of engine, lift hook bracket attached to the left (front) exhaust manifold.
16. Install the lift hook (J 28467-7A) through the lift hook bracket (J 28467-6A).
17. Install the 1/2 inch lift hook washer and lift hook wing nut (J 28467-34) onto the lift hook (J 28467-7A).
18. Install the assembled lift hook bracket (J 28467-6A) over the strut tower tube (J 28467-3).





19. Adjust the assembled swivel lift hook bracket (J 28467-8A) in order to align the hook with the right (rear), front of engine, lift hook bracket attached to the right (rear) exhaust manifold.





20. Hand tighten the cross bracket assembly (J 28467-11A) wing nuts.
21. Hand tighten the lift hook wing nuts (J 28467-34) securely to remove all slack from the engine support fixture assembly.