Operation CHARM: Car repair manuals for everyone.
Manuals through 2025 now available!

Our trusted friends have launched a new website named LEMON, which has newer manuals. It also contains all the CHARM manuals.

LEMON is the spiritual successor to CHARM, I recommend you try it!

Link: lemon-manuals.la or lemon-manuals.org.ua

(Some people have issue connecting. LEMON is investigating. For now, use Firefox or change your DNS server)

Or, hide this message: temporarily or permanently

Window Glass: Adjustments

Causes of Slow Moving Glass

CAUTION: Disconnect the power window switch when working inside the drivers door. When operated, the Express Down feature allows the door window to drop very quickly, which could cause personal injury.




1. Listed below are tour conditions that may cause a window to operate slowly.
1.1. The window run channel outboard lip at the rearview mirror is rolled over or the glass run channel outboard lip at the B pillar is rolled over (2).
1.2. The window run channel is not seated at the B pillar.
1.3. The window is misaligned in the opening.
1.4. The regulator is misaligned causing misalignment of the window.
2. Use the following adjustment procedures to correct the condition causing a window to operate slowly.

Adjustment Procedure




1. Remove the door trim panel.
2. Remove the water deflector.




3. Using a flat-bladed tool, straighten the run channel lip (2) by pulling the lip out to its correct position.
4. Using a flat-bladed tool push the run channel rearward seating the channel in the door frame.




5. Loosen the regulator to window bolts.
Rotate the cam (5) on the window regulator plate so that the slot (6) is straight up and down. In this position, the back of the window will tilt forward.

NOTE: Refer to Fastener Notice in Service Precautions.

6. Tighten the window to window regulator bolts.

Tighten
Tighten the window to regulator bolts to 10 N.m (89 lb in).




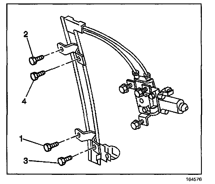
7. Loosen the window to regulator bolts (1, 2).
8. Loosen the four regulator to door bolts.
9. Align the regulator.




10. Tighten the regulator bolts according to the tightening sequence: 1, 2, 3, and 4.

Tighten
Tighten the window regulator to door bolts to 10 N.m (89 lb in).




11. Tighten the window to window regulator bolts (1, 2).

Tighten
Tighten the two window to regulator bolts to 10 N.m (89 lb in).

12. Connect the power window switch.
13. Install the water deflector.
14. Install the trim panel.