Operation CHARM: Car repair manuals for everyone.
Manuals through 2025 now available!

Our trusted friends have launched a new website named LEMON, which has newer manuals. It also contains all the CHARM manuals.

LEMON is the spiritual successor to CHARM, I recommend you try it!

Link: lemon-manuals.la or lemon-manuals.org.ua

(Some people have issue connecting. LEMON is investigating. For now, use Firefox or change your DNS server)

Or, hide this message: temporarily or permanently

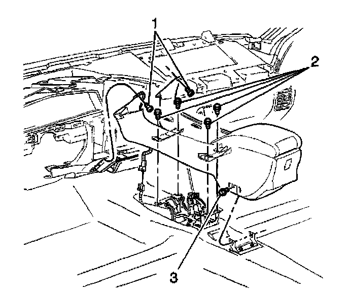
Console Replacement

REMOVAL PROCEDURE



1. Remove the transmission control lever handle retaining clip (1).
2. Remove the transmission control lever handle (2).




3. Remove the upper center trim plate.
4. Remove the shifter trim plate.
5. Place the seats in the full forward position.
6. Remove the rear fasteners (3) from the sides of the console.
7. Remove the fasteners (1) retaining the console to the lower IP.
8. Remove the fasteners (2) from inside the console at the transmission control assembly.
9. Partially lift the console and disconnect the electrical connector at the left front.
10. Remove the console.

INSTALLATION PROCEDURE



1. Partially install the console.
2. Connect the electrical connector.
3. Align the console to the transmission control assembly.

NOTE: Refer to Fastener Notice in Cautions and Notices.

4. Install the fasteners (2) to the inside of the console at the transmission control assembly.

Tighten
Tighten the fasteners to 9 N.m (80 lb in).

5. install the fasteners (1) retaining the console to the lower IP.

Tighten
Tighten the fasteners to 9 N.m (80 lb in).

6. Install the rear fasteners (3) to the sides of the console.

Tighten
Tighten the fasteners to 9 N.m (80 lb in).




7. Return the seats to the original position.
8. Install the shifter trim plate.
9. Install the upper center trim plate.
10. Install the transmission control lever handle (2).
11. Install the transmission control lever handle retainer (1).