Operation CHARM: Car repair manuals for everyone.
Manuals through 2025 now available!

Our trusted friends have launched a new website named LEMON, which has newer manuals. It also contains all the CHARM manuals.

LEMON is the spiritual successor to CHARM, I recommend you try it!

Link: lemon-manuals.la or lemon-manuals.org.ua

(Some people have issue connecting. LEMON is investigating. For now, use Firefox or change your DNS server)

Or, hide this message: temporarily or permanently

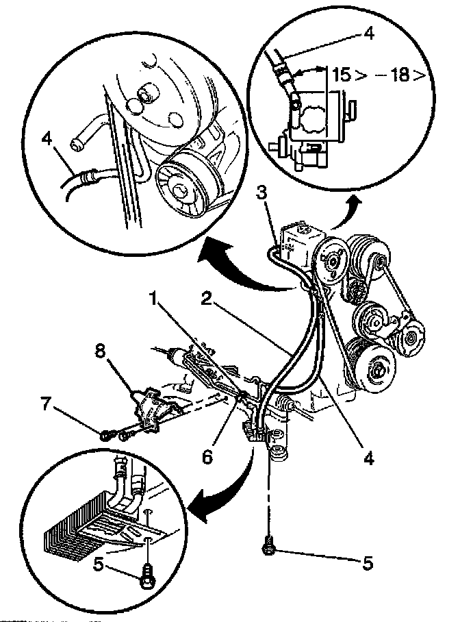
Power Steering Line/Hose: Service and Repair

REMOVAL PROCEDURE





1. Remove the following components:
- The retainer (6)
- The shield (8)
2. Remove the clamps (3) or connections at the gear.
3. Remove the clamps (3) or connections at the pump.
4. Remove the hoses (2,4).

INSTALLATION PROCEDURE





1. Install the hoses (2,4).
2. Install the clamps (3) or connections at the gear.
3. Install the clamps (3) or connections at the pump.

NOTICE: Refer to Fastener Notice in Service Precautions.

4. Install the following components:
- The retainer (6)
- The shield (8)
- Tighten the retainer (6) and the shield (8) mounting bolts (7) to 8 Nm (71 inch lbs.).
- Tighten the power steering gear inlet hose (4) to pump to 27 Nm (20 ft. lbs.).
- Tighten the hose clamp (3) at the pump to 1.7 Nm (15 inch lbs.).
- Tighten the power steering gear outlet (2) and the power steering inlet hose (4) to steering gear, to 8 Nm (70 inch lbs.).

5. Fill the system.
6. Bleed the system. Refer to Bleeding Power Steering System.
7. Inspect the system for leaks.