Operation CHARM: Car repair manuals for everyone.
Manuals through 2025 now available!

Our trusted friends have launched a new website named LEMON, which has newer manuals. It also contains all the CHARM manuals.

LEMON is the spiritual successor to CHARM, I recommend you try it!

Link: lemon-manuals.la or lemon-manuals.org.ua

(Some people have issue connecting. LEMON is investigating. For now, use Firefox or change your DNS server)

Or, hide this message: temporarily or permanently

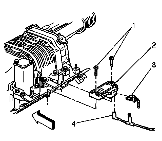
Manifold Pressure/Vacuum Sensor: Service and Repair

REMOVAL PROCEDURE




1. Remove the fuel injector sight shield.




2. Remove two bolts (1) from the MAP sensor (2).
3. Disconnect the MAP sensor electrical connector (3) from the MAP sensor (2).
4. Disconnect the MAP sensor vacuum hose (4) from the MAP sensor.
5. Remove the MAP sensor from the engine.

INSTALLATION PROCEDURE




1. Connect the electrical connector (3) and vacuum hose to the MAP sensor.
2. Connect the vacuum hose (4) to the MAP sensor (2).

NOTE: Refer to Fastener Notice.

Tighten
Tighten the bolts to 3 N.m (27 lb in).

3. Position the MAP sensor to the bracket and secure with the bolts (1).




4. Install the fuel injector sight shield.