Operation CHARM: Car repair manuals for everyone.
Manuals through 2025 now available!

Our trusted friends have launched a new website named LEMON, which has newer manuals. It also contains all the CHARM manuals.

LEMON is the spiritual successor to CHARM, I recommend you try it!

Link: lemon-manuals.la or lemon-manuals.org.ua

(Some people have issue connecting. LEMON is investigating. For now, use Firefox or change your DNS server)

Or, hide this message: temporarily or permanently

Positive Crankcase Ventilation: Service and Repair




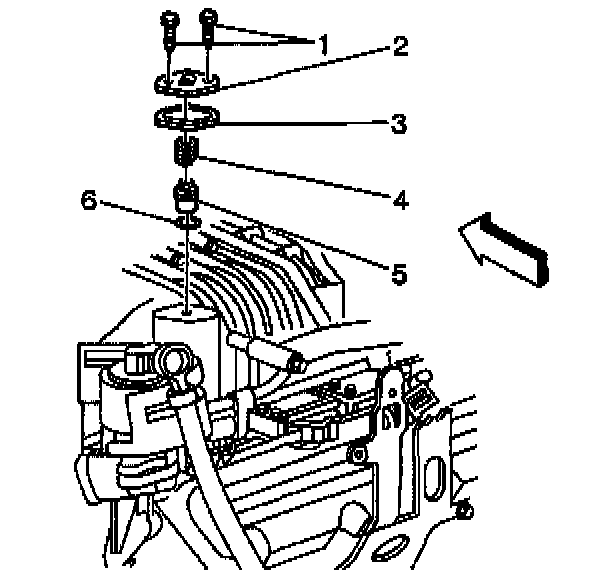
REMOVAL PROCEDURE
1. Remove the fuel injector sight shield.
2. Remove the 2 access cover retaining bolts (1), while holding down the crankcase ventilation valve access cover (2).
3. Remove the crankcase ventilation valve access cover (2).
4. Remove the spring (3).
5. Remove the crankcase ventilation valve (4) and O-ring (5).

INSTALLATION PROCEDURE
1. Install the crankcase ventilation valve (4) and O-ring (5).
2. Install the spring (3).
3. Install the crankcase ventilation valve access cover (2).
4. Install the 2 access cover retaining bolts, while holding down the crankcase ventilation valve access cover.
5. Reinstall the fuel injector sight shield.