Operation CHARM: Car repair manuals for everyone.
Manuals through 2025 now available!

Our trusted friends have launched a new website named LEMON, which has newer manuals. It also contains all the CHARM manuals.

LEMON is the spiritual successor to CHARM, I recommend you try it!

Link: lemon-manuals.la or lemon-manuals.org.ua

(Some people have issue connecting. LEMON is investigating. For now, use Firefox or change your DNS server)

Or, hide this message: temporarily or permanently

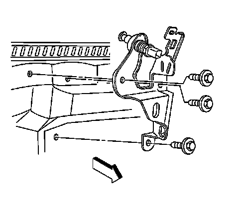
Endgate Window Latch Support Replacement



Endgate Window Latch Support Replacement

Removal Procedure

1. Remove the endgate window latch.
2. Disconnect the electrical connectors as needed.




3. Mark the location of the endgate window latch support in order to ensure proper alignment during installation.
4. Remove the bolts that retain the endgate window latch support to the liftgate.
5. Remove the endgate window latch support from the endgate.

Installation Procedure




1. Install the endgate window latch support.
2. Align the marks made during disassembly.
3. Connect the electrical connectors as needed.

Notice: Refer to Fastener Notice in Service Precautions.

4. Install the bolts that retain the endgate window latch support to the liftgate.

Tighten the bolts to 9 N.m (80 lb in).

5. Connect the electrical connectors as needed.
6. Install the endgate window latch.