Operation CHARM: Car repair manuals for everyone.
Manuals through 2025 now available!

Our trusted friends have launched a new website named LEMON, which has newer manuals. It also contains all the CHARM manuals.

LEMON is the spiritual successor to CHARM, I recommend you try it!

Link: lemon-manuals.la or lemon-manuals.org.ua

(Some people have issue connecting. LEMON is investigating. For now, use Firefox or change your DNS server)

Or, hide this message: temporarily or permanently

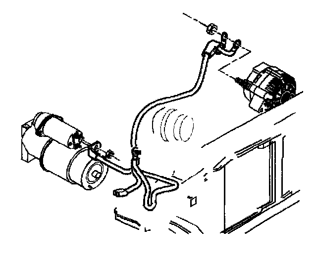
Battery Cable: Service and Repair

CONNECTION LOCATIONS

CAUTION: Refer to Battery Disconnect Caution In Service Precautions.

NOTE: When connecting the positive battery cable to the starter solenoid, the inner nut on the solenoid battery terminal must be tightened. Failure to do so, before the battery cable or any other leads are installed, will result in solenoid or terminal damage. This could also cause a slow crank condition.

IMPORTANT:
^ Some positive and negative cables have additional leads attached.
^ Always use replacement cables that are of the same type, diameter and length of the cables that you are replacing.
^ Always route the replacement cable the same way as the original cable.
^ Disconnect the battery negative cable from the battery before proceeding with any replacement or repair.
^ Refer to the illustrations for connection locations:






^ Battery positive cable routing to starter and generator.






^ Battery positive cable connection to starter.






^ Battery negative cable routing to engine block ground.