Operation CHARM: Car repair manuals for everyone.
Manuals through 2025 now available!

Our trusted friends have launched a new website named LEMON, which has newer manuals. It also contains all the CHARM manuals.

LEMON is the spiritual successor to CHARM, I recommend you try it!

Link: lemon-manuals.la or lemon-manuals.org.ua

(Some people have issue connecting. LEMON is investigating. For now, use Firefox or change your DNS server)

Or, hide this message: temporarily or permanently

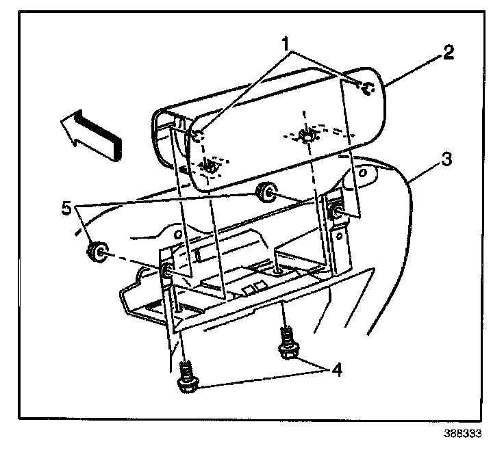
Instrument Panel Module Replacement

INSTRUMENT PANEL INFLATABLE RESTRAINT MODULE REPLACEMENT

REMOVAL PROCEDURE





1. Disable the SIR System. Disabling

2. Remove the radio. Service and Repair

3. Remove the instrument panel storage compartment door. Instrument Panel Compartment - Door Replacement

4. Remove the fasteners (4, 5) that retain inflatable restraint module to the instrument panel.

5. Remove the inflatable restraint module (2) from the instrument panel (3).

6. Fully deploy the module before disposal. If the module was replaced under warranty, fully deploy and dispose of the module after the required retention period. Handling/Shipping/Scrapping

INSTALLATION PROCEDURE





1. Install the inflatable restraint module to the instrument panel.

NOTE: Use the correct fastener in the correct location. Replacement fasteners must be the correct part number for that application. Fasteners requiring replacement or fasteners requiring the use of thread locking compound or sealant are identified in the service procedure. Do not use paints, lubricants, or corrosion inhibitors on fasteners or fastener joint surfaces unless specified. These coatings affect fastener torque and joint clamping force and may damage the fastener. Use the correct tightening sequence and specifications when installing fasteners in order to avoid damage to parts and systems.

2. Install the fasteners (1) that retain inflatable restraint module (2) to the instrument panel (3).

Tighten
Tighten the inflatable restraint instrument panel module retaining nuts (5) and bolts (4) to 8.0 Nm (70 lb in).

3. Install the radio. Service and Repair

4. Install the instrument panel storage compartment door. Instrument Panel Compartment - Door Replacement

5. Enable the SIR System. Enabling