Operation CHARM: Car repair manuals for everyone.
Manuals through 2025 now available!

Our trusted friends have launched a new website named LEMON, which has newer manuals. It also contains all the CHARM manuals.

LEMON is the spiritual successor to CHARM, I recommend you try it!

Link: lemon-manuals.la or lemon-manuals.org.ua

(Some people have issue connecting. LEMON is investigating. For now, use Firefox or change your DNS server)

Or, hide this message: temporarily or permanently

Starter Motor: Service and Repair

STARTER MOTOR REPLACEMENT

REMOVAL PROCEDURE

CAUTION: Refer to Battery Disconnect Caution in Service Precautions.




1. Disconnect the negative battery cable.
2. Raise and support the vehicle. Refer to Lifting and Jacking the Vehicle.
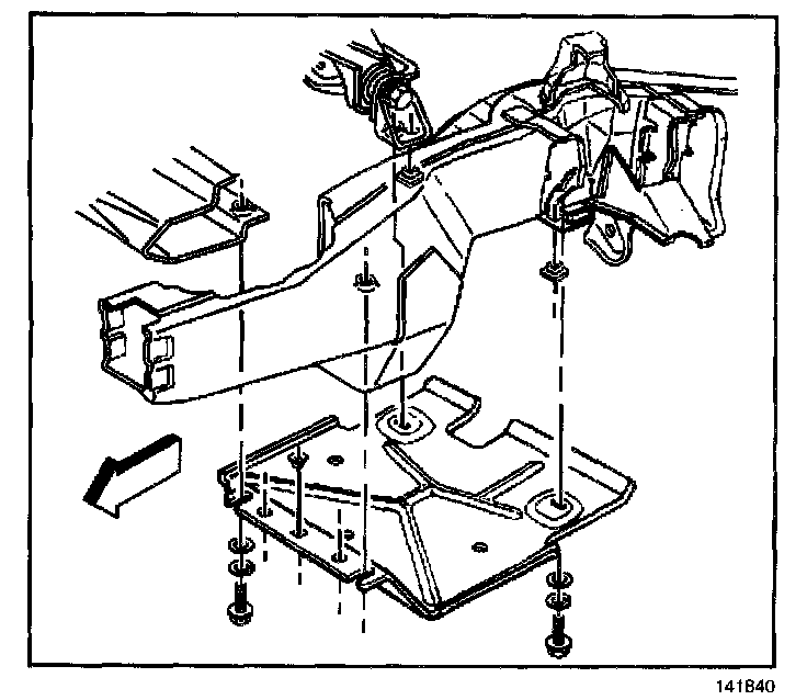
3. Remove the differential carrier shield mounting bolts, if equipped.
4. Remove the differential carrier shield, if equipped.




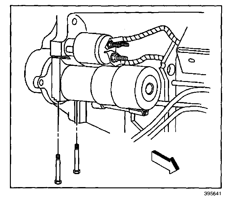
5. Remove the starter mounting bolts.




6. Disconnect the wires from the solenoid.




7. Remove the starter from the vehicle. Note the location of the shims, if equipped.

INSTALLATION PROCEDURE

NOTE: Refer to Fastener Notice in Service Precautions.




1. Connect the wires to the solenoid.

Tighten
^ Tighten the battery positive cable nut to 9 N.m (80 lb in).
^ Tighten the engine wiring harness to starter nut to 1.9 N.m (17 lb in).




2. Install the starter and the inboard starter mounting bolt. Do not tighten.
3. Install the starter shims, if equipped.




4. Install the starter mounting bolts.

Tighten
Tighten the starter mounting bolts to 50 N.m (37 lb ft).




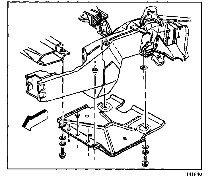
5. Install the differential carrier shield, if equipped.
6. Install the differential carrier shield mounting bolts, if equipped.

Tighten
Tighten the differential carrier shield mounting bolts to 25 N.m (18 lb ft).

7. Lower the vehicle.
8. Connect the battery negative cable.