Operation CHARM: Car repair manuals for everyone.
Manuals through 2025 now available!

Our trusted friends have launched a new website named LEMON, which has newer manuals. It also contains all the CHARM manuals.

LEMON is the spiritual successor to CHARM, I recommend you try it!

Link: lemon-manuals.la or lemon-manuals.org.ua

(Some people have issue connecting. LEMON is investigating. For now, use Firefox or change your DNS server)

Or, hide this message: temporarily or permanently

Transfer Case Assembly Replacement

Transfer Case Assembly Replacement

Removal Procedure
1. Raise the vehicle. Refer to Vehicle Lifting.





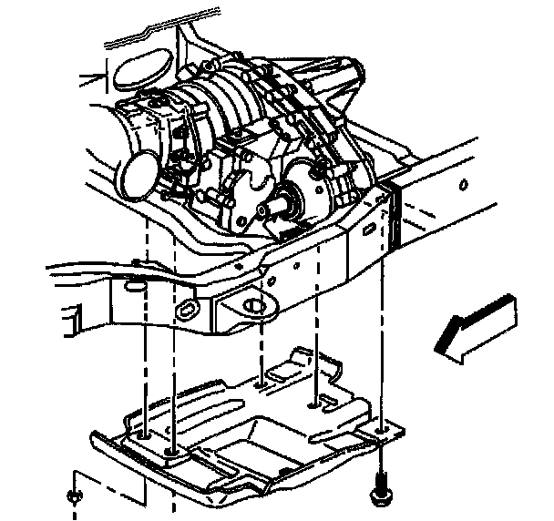
2. Remove the transfer case shield.
3. Remove the rear propeller shaft.
4. Remove the front propeller shaft.
5. Drain the transfer case of fluid.





6. Remove the motor/encoder electrical connector.





7. Remove the transfer case electrical wiring harness.





8. Remove the transfer case vent hose.
9. Support the transmission with a suitable jack stand.





10. Remove the transmission mount retaining bolts.





11. Remove the transmission support assembly.





12. Remove the transmission mount from the transfer case adapter (automatic transmission only).





13. Remove the transfer case retaining nuts.

Important: The following service procedure should be performed with the aid of another technician.

14. Remove the transfer case from the transfer case adapter straight back toward the rear of the vehicle.
15. Lower the front of the transfer case.
16. Raise the rear of the transfer case so that it above the torsion bar bracket.
17. In a downward motion, remove the transfer case from the vehicle.

Important: If during the removal of the transfer case the gasket becomes damaged, do not reuse the gasket. Replace the damaged gasket with a new one. DO NOT use any type of sealant in place of the gasket.





18. Remove the transfer case gasket.

Installation Procedure





1. Install the new gasket to the transfer case (tab facing upward).





Notice: Refer to Fastener Notice in Service Precautions.

Important: The following service procedure should be performed with the aid of another technician.

2. Install the transfer case assembly.
Tighten the transfer case retaining nuts to 55 Nm (39 ft. lbs.).





3. Install the transmission mount assembly.
Tighten the transmission mount bolts to 55 Nm (40 ft. lbs.).





4. Install the transmission support assembly.





5. Install the transmission mount retaining nuts.
Tighten the transmission mount retaining nuts to 40 Nm (30 ft. lbs.).
6. Remove the transmission jack from the transmission.





7. Install the motor/encoder electrical connector.





8. Install the motor/encoder electrical wiring harness.





9. Install the transfer case vent hose.
10. Install the rear propeller shaft.
11. Install the front propeller shaft.
12. Fill the transfer case with the approved fluid.





13. Install the transfer case shield.
14. Lower the vehicle. Refer to Vehicle Lifting.