Operation CHARM: Car repair manuals for everyone.
Manuals through 2025 now available!

Our trusted friends have launched a new website named LEMON, which has newer manuals. It also contains all the CHARM manuals.

LEMON is the spiritual successor to CHARM, I recommend you try it!

Link: lemon-manuals.la or lemon-manuals.org.ua

(Some people have issue connecting. LEMON is investigating. For now, use Firefox or change your DNS server)

Or, hide this message: temporarily or permanently

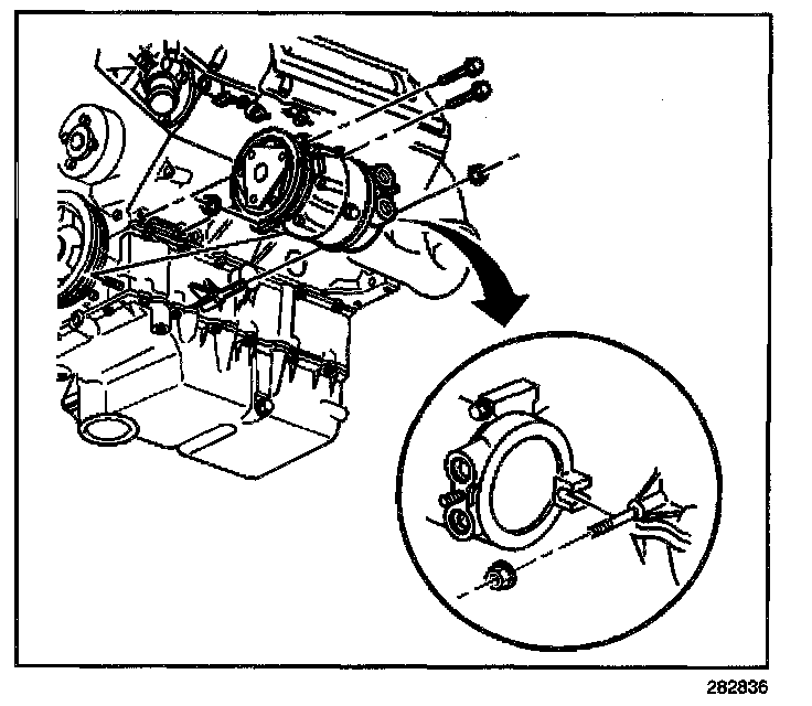
Compressor Replacement

TOOLS REQUIRED
J 39400-A Electronic Halogen Leak Detector

REMOVAL PROCEDURE




1. Recover the refrigerant. Refer to Refrigerant Recovery and Recharging.
2. Remove the right sheet metal diagonal brace.
3. Remove the generator.

IMPORTANT: The A/C compressor is accessed through the right wheel opening.

4. Turn the steering wheel to the right before lifting the vehicle.
5. Raise and support the vehicle. Refer to Lifting and Jacking the Vehicle.
6. Remove the lower radiator air baffle. Refer to Radiator Air Baffle Assemblies and Deflectors (Lower) or Radiator Air Baffle Assemblies and Deflectors (Side) or Radiator Air Baffle Assemblies and Deflectors (Air Baffle) in Cooling System.
7. Remove the right side engine splash shield.
8. Remove the A/C compressor hose bolt.
9. Disconnect the A/C compressor hose from A/C compressor.
10. Disconnect the electrical connector from the A/C compressor.
11. Remove and discard the sealing washers.




12. Remove the front and rear A/C compressor mounting bolts.
13. Remove the top A/C compressor mounting bolts.
14. Remove the A/C compressor.
15. If replacing the A/C compressor, drain and measure as much of the PAG oil as possible from the removed A/C compressor:
^ Drain the PAG oil from both the suction and discharge ports of the removed A/C compressor into a clean container.
Rotate the A/C compressor crankshaft to assist draining the crankcase oil.
^ Measure and record the amount of PAG oil drained from the removed A/C compressor.
This measurement will be used during installation of the replacement A/C compressor.

INSTALLATION PROCEDURE

IMPORTANT: The replacement compressor is shipped without oil. Refer to Refrigerant System Capacities for compressor oil capacity.




1. Install the A/C compressor.

NOTE: Refer to Fastener Notice in Service Precautions.

2. Install the A/C compressor front bolts.

Tighten
Tighten the A/C compressor front bolts to 50 N.m (37 lb ft).

3. Install the A/C compressor top bolts.

Tighten
Tighten the A/C compressor top bolts to 50 N.m (37 lb ft).

4. Install the A/C compressor rear bolts.

Tighten
Tighten the A/C compressor rear bolts to 25 N.m (15 lb ft).

5. Install the A/C compressor hose bolt.

Tighten
Tighten the A/C compressor hose bolts to 16 N.m (12 lb ft).

6. Install the sealing washers.
7. Connect the A/C compressor hose assembly to the rear of the A/C compressor.




8. Connect the electrical connector to the A/C compressor.
9. Install the right side engine splash shield.
10. Lower the vehicle.
11. Install the lower radiator air baffle. Refer to Radiator Air Baffle Assemblies and Deflectors (Lower) or Radiator Air Baffle Assemblies and Deflectors (Side) or Radiator Air Baffle Assemblies and Deflectors (Air Baffle) in Cooling System.
12. Install the generator.
13. Install the right sheet metal diagonal brace.
14. Evacuate and recharge the A/C system. Refer to Refrigerant Recovery and Recharging.
15. Leak test the fittings of the component using J 39400-A.