Operation CHARM: Car repair manuals for everyone.
Manuals through 2025 now available!

Our trusted friends have launched a new website named LEMON, which has newer manuals. It also contains all the CHARM manuals.

LEMON is the spiritual successor to CHARM, I recommend you try it!

Link: lemon-manuals.la or lemon-manuals.org.ua

(Some people have issue connecting. LEMON is investigating. For now, use Firefox or change your DNS server)

Or, hide this message: temporarily or permanently

Manifold Pressure/Vacuum Sensor: Service and Repair

MANIFOLD ABSOLUTE PRESSURE (MAP) SENSOR REPLACEMENT

REMOVAL PROCEDURE




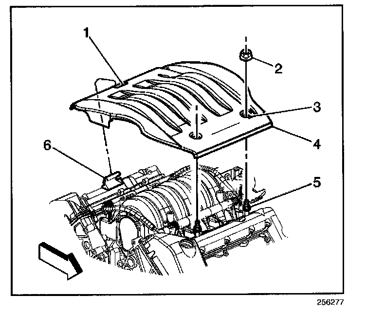
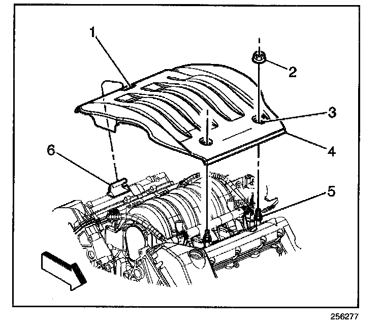
1. Remove the mounting nuts (2) from the injector sight shield.
2. Lift the injector sight shield off the mounting studs by lifting at the front (4) of the cover.




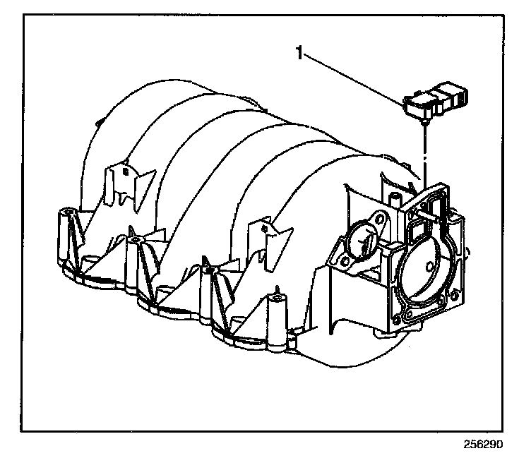
3. Remove the MAP sensor (1) from the intake manifold.
4. Disconnect the electrical connector from the MAP sensor.
5. Inspect the MAP sensor grommet for wear or damage, and replace as needed.

INSTALLATION PROCEDURE




1. Connect the electrical connector to the MAP sensor.
2. Apply a small amount of lubrication to the MAP sensor grommet.
3. Install the MAP sensor (1) to the intake manifold.




4. Keeping the injector sight shield as level as possible place the rear (1) of the shield under the mounting bracket (6).
5. Align and press the injector sight shield (4) onto the mounting studs (5).

NOTE: Refer to Fastener Notice in Service Precautions.

6. Install the mounting nuts (2) onto the mounting studs (5).

Tighten
Tighten the mounting nuts to 3 N.m (27 lb in).