Operation CHARM: Car repair manuals for everyone.
Manuals through 2025 now available!

Our trusted friends have launched a new website named LEMON, which has newer manuals. It also contains all the CHARM manuals.

LEMON is the spiritual successor to CHARM, I recommend you try it!

Link: lemon-manuals.la or lemon-manuals.org.ua

(Some people have issue connecting. LEMON is investigating. For now, use Firefox or change your DNS server)

Or, hide this message: temporarily or permanently

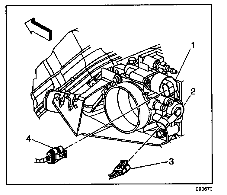
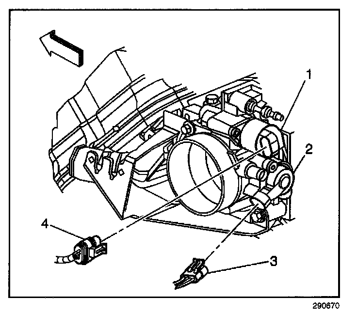
Throttle Position Sensor: Service and Repair

THROTTLE POSITION (TP) SENSOR REPLACEMENT

REMOVAL PROCEDURE




1. Turn OFF the ignition.
2. Remove the electrical connector (3) from the throttle position (TP) sensor (2).




3. Remove the EGR valve.
4. Remove the 2 TP sensor mounting bolts (4) from the TP sensor (5).
5. Remove the TP sensor (5) from the throttle body (7).
6. Remove the O-ring (6) from the TP sensor (5).
7. Discard the O-ring.

INSTALLATION PROCEDURE




1. Install the new O-ring (6) onto the TP sensor (5).
2. Install the TP sensor (5) on to the throttle body (7).

NOTE: Refer to Fastener Notice in Service Precautions.

3. Install the 2 TP sensor screws.

Tighten
Tighten the screws to 2.3 N.m (20 lb in).




4. Install the electrical connector (3) to the TP sensor (2).
5. Install the EGR valve.