Operation CHARM: Car repair manuals for everyone.
Manuals through 2025 now available!

Our trusted friends have launched a new website named LEMON, which has newer manuals. It also contains all the CHARM manuals.

LEMON is the spiritual successor to CHARM, I recommend you try it!

Link: lemon-manuals.la or lemon-manuals.org.ua

(Some people have issue connecting. LEMON is investigating. For now, use Firefox or change your DNS server)

Or, hide this message: temporarily or permanently

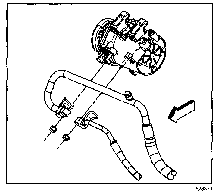
Compressor Sealing Washers Replacement

TOOLS REQUIRED
J 39400-A Halogen Leak Detector

REMOVAL PROCEDURE




1. Recover the refrigerant. Refer to Refrigerant Recovery and Recharging.
2. Raise and support the vehicle. Refer to Lifting and Jacking the Vehicle.
3. Remove the air baffle bolts.
4. Remove the air baffle.




5. Remove the suction hose nut.
6. Disconnect the suction hose from the compressor.

IMPORTANT: Cap or tape the open A/C lines immediately, to prevent system contamination.

7. Cap off the suction port of the compressor.
8. Remove the discharge hose nut.
9. Disconnect the discharge hose from the compressor.
10. Cap off the discharge port of the compressor.
11. Remove and discard the sealing washers.

INSTALLATION PROCEDURE

IMPORTANT: Lubricate the sealing washers with mineral base 525 viscosity refrigerant oil.




1. Install the sealing washer to the discharge hose.
2. Uncap the discharge port of the compressor.
3. Connect the discharge hose to the compressor.

NOTE: Refer to Fastener Notice in Service Precautions.

4. Install the discharge hose nut.

Tighten
Tighten the nut to 16 N.m (12 lb ft).

5. Install the sealing washer to the suction hose.
6. Uncap the suction port of the compressor.
7. Connect the suction hose to the compressor.
8. Install the suction hose nut.

Tighten
Tighten the nut to 16 N.m (12 lb ft).




9. Install the air baffle.
10. Install the air baffle bolts.

Tighten
Tighten the bolts to 20 N.m (15 lb ft).

11. Lower the vehicle.
12. Evacuate and recharge the refrigerant. Refer to Refrigerant Recovery and Recharging.
13. Leak test the fittings of the component using J 39400-A.