Operation CHARM: Car repair manuals for everyone.
Manuals through 2025 now available!

Our trusted friends have launched a new website named LEMON, which has newer manuals. It also contains all the CHARM manuals.

LEMON is the spiritual successor to CHARM, I recommend you try it!

Link: lemon-manuals.la or lemon-manuals.org.ua

(Some people have issue connecting. LEMON is investigating. For now, use Firefox or change your DNS server)

Or, hide this message: temporarily or permanently

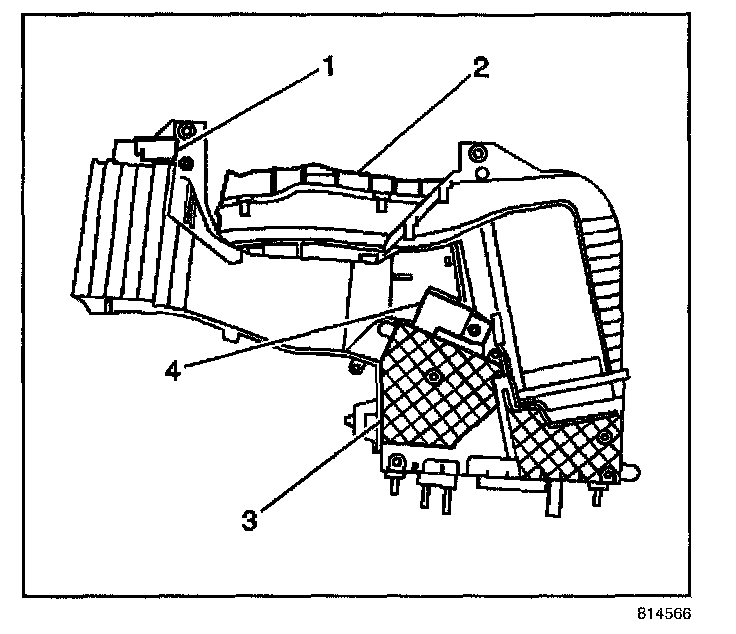
Heater Case/Cover Replacement

REMOVAL PROCEDURE




1. Remove the right rear quarter trim panel.
2. Remove the screws from the heater core cover-auxiliary (3).
3. Remove the heater core cover-auxiliary (3).

INSTALLATION PROCEDURE




1. Install the heater core cover-auxiliary (3).

NOTE: Refer to Fastener Notice in Service Precautions.

2. Install the screws to the heater core cover-auxiliary.

Tighten
Tighten the screws to 2 N.m (18 lb in).

3. Install the right rear quarter trim panel.