Operation CHARM: Car repair manuals for everyone.
Manuals through 2025 now available!

Our trusted friends have launched a new website named LEMON, which has newer manuals. It also contains all the CHARM manuals.

LEMON is the spiritual successor to CHARM, I recommend you try it!

Link: lemon-manuals.la or lemon-manuals.org.ua

(Some people have issue connecting. LEMON is investigating. For now, use Firefox or change your DNS server)

Or, hide this message: temporarily or permanently

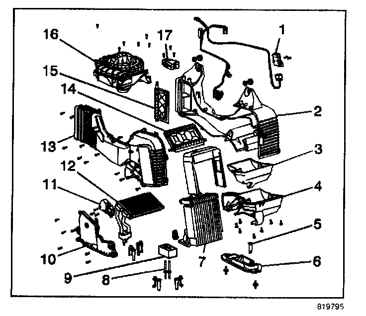
HVAC Module Case - Auxiliary

REMOVAL PROCEDURE




1. Remove the HVAC module-auxiliary.
2. Remove the screws from the blower motor-auxiliary.
3. Remove the blower motor-auxiliary.
4. Disconnect the electrical connectors.
5. Remove the evaporator core-auxiliary.
6. Remove the screws from the air temperature actuator-auxiliary.
7. Remove the air temperature actuator-auxiliary.
8. Disconnect the electrical connector.
9. Remove the screws from the mode actuator-auxiliary.
10. Remove the mode actuator-auxiliary.
11. Disconnect the electrical connector.
12. Remove all of the screws from the HVAC module-auxiliary.
13. Separate the HVAC module-auxiliary case halves (2,13).
14. Remove the mode door (15) from the HVAC module-auxiliary case half (2).
15. Remove the air temperature door (14) from the HVAC module-auxiliary case half (2).

INSTALLATION PROCEDURE




1. Transfer the air temperature door (14) to the HVAC module-auxiliary case half (2).
2. Transfer the mode door (15) to the HVAC module-auxiliary case half (2).
3. Assemble the HVAC module-auxiliary case halves (2,13).

NOTE: Refer to Fastener Notice in Service Precautions.

4. Install all of the screws to the HVAC module-auxiliary.

Tighten
Tighten the screws to 2 N.m (18 lb in).

5. Install the mode actuator-auxiliary.
6. Install the mode actuator-auxiliary screws.

Tighten
Tighten the screws to 2 N.m (18 lb in).

7. Install the air temperature actuator-auxiliary.
8. Install the air temperature actuator-auxiliary screws.

Tighten
Tighten the screws to 2 N.m (18 lb in).

9. Install the evaporator core-auxiliary.
10. Install the blower motor-auxiliary.
11. Install the blower motor-auxiliary screws.

Tighten
Tighten the screws to 2 N.m (18 lb in).

12. Install the HVAC module-auxiliary.