Operation CHARM: Car repair manuals for everyone.
Manuals through 2025 now available!

Our trusted friends have launched a new website named LEMON, which has newer manuals. It also contains all the CHARM manuals.

LEMON is the spiritual successor to CHARM, I recommend you try it!

Link: lemon-manuals.la or lemon-manuals.org.ua

(Some people have issue connecting. LEMON is investigating. For now, use Firefox or change your DNS server)

Or, hide this message: temporarily or permanently

Air Temperature Sensor ( Ambient / Intake ): Service and Repair

INTAKE AIR TEMPERATURE (IAT) SENSOR REPLACEMENT

REMOVAL PROCEDURE




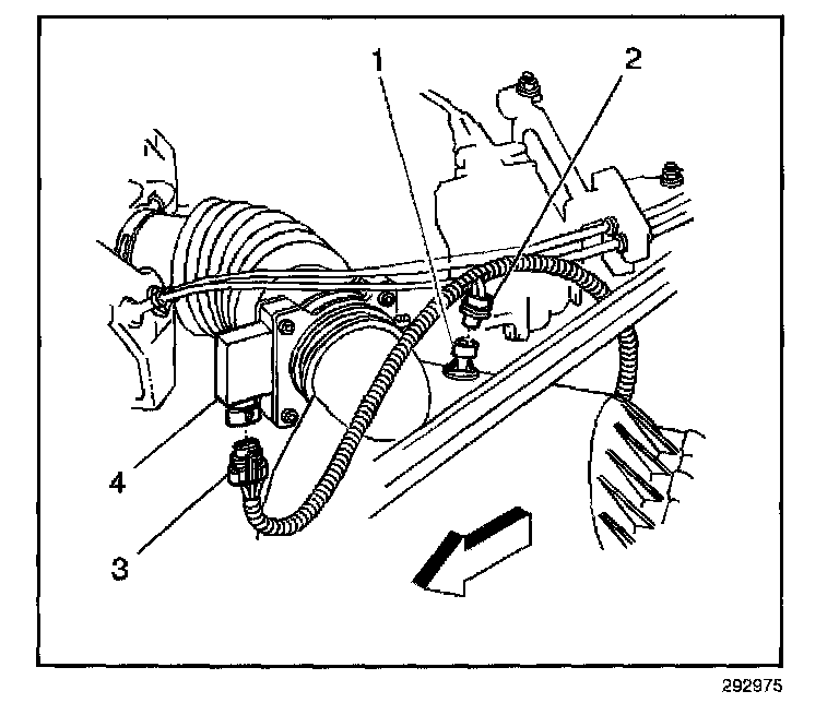
1. Disconnect the electrical connector (2) from the intake air temperature (IAT) sensor (1).




2. Grasp and rotate the IAT counterclockwise to unlock the sensor and remove from the air cleaner cover.

INSTALLATION PROCEDURE




1. Position and insert the IAT sensor into the air cleaner cover and rotate clockwise to lock.




2. Connect the electrical connector (2) to the IAT sensor (1).