Operation CHARM: Car repair manuals for everyone.
Manuals through 2025 now available!

Our trusted friends have launched a new website named LEMON, which has newer manuals. It also contains all the CHARM manuals.

LEMON is the spiritual successor to CHARM, I recommend you try it!

Link: lemon-manuals.la or lemon-manuals.org.ua

(Some people have issue connecting. LEMON is investigating. For now, use Firefox or change your DNS server)

Or, hide this message: temporarily or permanently

Intake Manifold: Service and Repair



Intake Manifold Replacement

Removal Procedure


1. Disconnect the negative battery cable. Service and Repair
2. Relieve the fuel pressure. Service and Repair
3. Remove the throttle body. Service and Repair





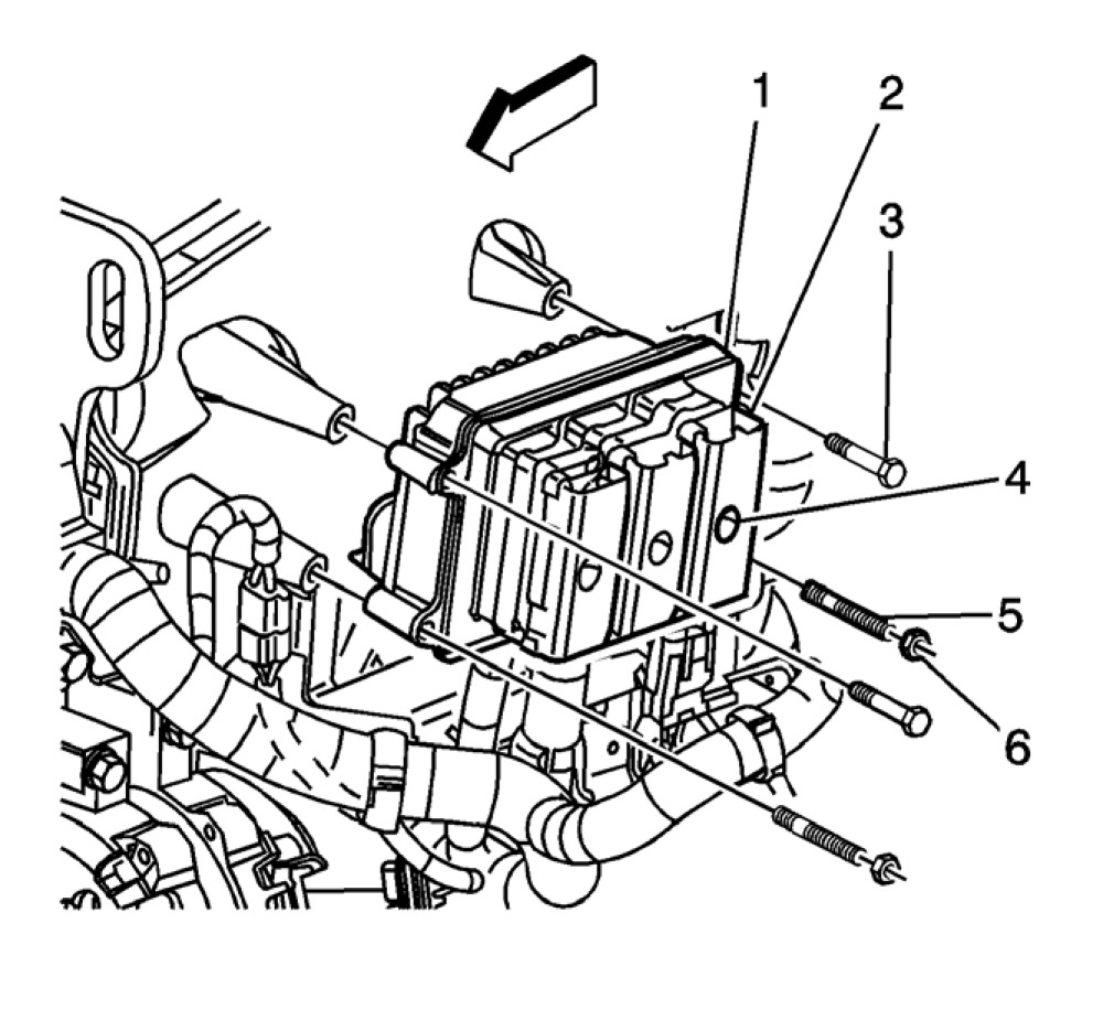
4. Remove the powertrain control module (PCM) retaining bolts (3) and nuts (6).
5. Remove the PCM mounting studs (5) and position the PCM out of the way.





6. Disconnect the engine coolant temperature (ECT) sensor electrical connector (1).





Notice: Refer to Fuel and Evaporative Emission Hose/Pipe Connection Cleaning Notice.

7. Disconnect the fuel feed (1) and fuel return (2) pipes from the fuel rail.
8. Disconnect the integral clip (3) from the wire harness bracket.





9. Remove the engine wire harness bracket bolt.
10. Position the engine electrical wire harness bracket with wires attached out of the way.





11. Disconnect the manifold absolute pressure (MAP) sensor electrical connector.





12. Disconnect the crankcase ventilation hose from the intake manifold.





13. Disconnect the vacuum brake booster hose at the intake manifold.
14. Remove the generator. Service and Repair





Important: The intake manifold bolts are captured within the intake manifold. Do not attempt to remove the bolts from the intake manifold.

15. Loosen the intake manifold bolts.
16. Remove the intake manifold.

Installation Procedure

1. Install a new intake manifold gasket to the intake manifold.





Notice: Refer to Fastener Notice.

2. Install the intake manifold onto the engine and secure the manifold with the bolts.

Tighten
Tighten the intake manifold bolts to 10 Nm (89 lb in).

3. Install the generator. Service and Repair





4. Install the vacuum brake booster hose to the intake manifold.





5. Lubricate the inner diameter of the crankcase ventilation hose.
6. Install the crankcase ventilation hose.





7. Connect the MAP sensor electrical connector.
8. Properly position the engine electrical harness bracket to the intake manifold.





9. Install the engine electrical harness bracket bolt.

Tighten
Tighten the bolt to 10 Nm (89 lb in).





10. Connect the integral clip (3) to the wire harness bracket.
11. Connect the fuel feed (1) and fuel return (2) pipes to the fuel rail.





12. Connect the ECT sensor electrical connector (1).





13. Install the PCM mounting studs (5) to the intake manifold.

Tighten
Tighten the studs to 6 Nm (53 lb in).

14. Install the PCM (1) onto the studs (5).
15. Install the PCM retaining bolts (3).

Tighten
Tighten the bolts to 8 Nm (71 lb in).

16. Install the PCM retaining nuts (6).

Tighten
Tighten the nuts to 8 Nm (71 lb in).

17. Install the throttle body. Service and Repair
18. Connect the negative battery cable. Service and Repair
19. Inspect for leaks using the following procedure:
19.1 Turn ON the ignition, with the engine OFF for 2 seconds.
19.2 Turn OFF the ignition, for 10 seconds.
19.3 Turn ON the ignition, with the engine OFF.
19.4 Inspect for fuel leaks.