Operation CHARM: Car repair manuals for everyone.
Manuals through 2025 now available!

Our trusted friends have launched a new website named LEMON, which has newer manuals. It also contains all the CHARM manuals.

LEMON is the spiritual successor to CHARM, I recommend you try it!

Link: lemon-manuals.la or lemon-manuals.org.ua

(Some people have issue connecting. LEMON is investigating. For now, use Firefox or change your DNS server)

Or, hide this message: temporarily or permanently

Condenser HVAC: Service and Repair

CONDENSER REPLACEMENT

TOOLS REQUIRED
- J 38185 Hose Clamp Pliers
- J 39400-A Halogen Leak Detector

REMOVAL PROCEDURE
1. Recover the refrigerant from the A/C system.
2. Drain the cooling system.
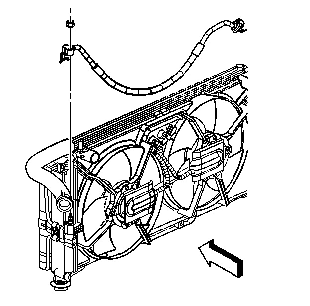
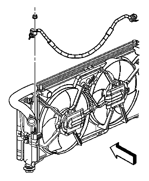
3. Remove the cooling fans with the cooling fan shroud.







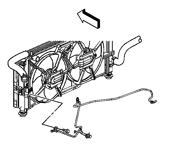
4. Reposition the hose clamps to release the radiator lower hose using the J 38185.
5. Remove the radiator lower hose.
6. Disconnect the lower TOC line from the radiator.







7. Remove the A/C discharge hose nut from the condenser block.
8. Disconnect the A/C discharge hose from the condenser block.
9. Cap or tape off the A/C discharge hose.

IMPORTANT: Cap or tape off the open A/C refrigerant components immediately to prevent system contamination.







10. Remove the evaporator inlet tube bolt from the condenser block.
11. Disconnect the evaporator inlet tube from the condenser block.
12. Cap or tape off the evaporator inlet tube.
13. Remove the radiator and condenser assembly.
14. Remove the condenser tube clip bolt.
15. Remove the condenser tube clip.







16. Remove the condenser to radiator mounting bolts.
17. Remove the condenser from the radiator.







18. Remove the receiver dehydrator upper bracket bolt.
19. Remove the receiver dehydrator lower mounting bolts.
20. Disconnect the receiver dehydrator from the condenser.
21. Remove and discard the sealing washers.




INSTALLATION PROCEDURE
1. If replacing the condenser add the specified amount of PAG oil directly to the condenser.
2. Install the new sealing washers to the receiver dehydrator.







3. Install the receiver dehydrator to the condenser.
4. Install the receiver dehydrator lower mounting bolts.

NOTE: Refer to Fastener Notice in Service Precautions.
Vehicle Damage Warnings

Tighten
Tighten the bolts to.....6 N.m (53 lb in).

5. Install the receiver dehydrator upper bracket bolt.

Tighten
Tighten the bolt to.....6 N.m (53 lb in).

6. Install the condenser to the radiator.







7. Install the condenser to radiator mounting bolts.

Tighten
Tighten the bolts to.....6 N.m (53 lb in).

8. Install the condenser tube clip.
9. Install the condenser tube clip bolt.

Tighten
Tighten the bolt to.....2.5 N.m (22 lb in).

10. Install the radiator and condenser assembly.
11. Remove cap or tape from the evaporator inlet tube.
12. Install a new sealing washer to the evaporator inlet fitting.







13. Install the evaporator inlet tube and bolt to the condenser block.

Tighten
Tighten the bolt to.....16 N.m (12 lb ft).

14. Remove cap or tape from the A/C discharge hose.
15. Install a new sealing washer to the A/C discharge hose fitting.






16. Install the A/C discharge hose and nut to the condenser block.

Tighten
Tighten the nut to.....16 N.m (12 lb ft).

17. Connect the lower TOC line to the radiator.







18. Install the radiator lower hose.
19. Reposition the hose clamps to secure radiator lower hose using the J 38185.
20. Install the cooling fans with the cooling fan shroud.
21. Fill the cooling system.
22. Evacuate and recharge the A/C system.
23. Leak test the fittings using the J 39400-A.