Operation CHARM: Car repair manuals for everyone.
Manuals through 2025 now available!

Our trusted friends have launched a new website named LEMON, which has newer manuals. It also contains all the CHARM manuals.

LEMON is the spiritual successor to CHARM, I recommend you try it!

Link: lemon-manuals.la or lemon-manuals.org.ua

(Some people have issue connecting. LEMON is investigating. For now, use Firefox or change your DNS server)

Or, hide this message: temporarily or permanently

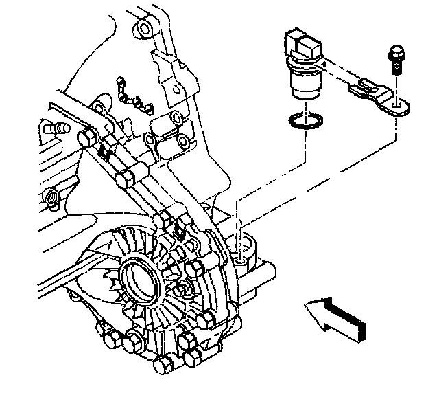
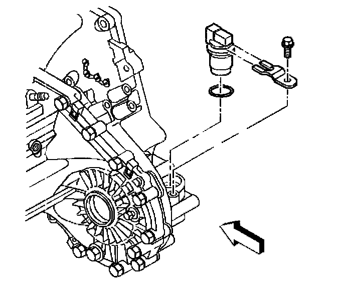
Manual Transmission

Vehicle Speed Sensor (VSS) Replacement

Removal Procedure





1. Disconnect the Vehicle Speed Sensor (VSS) electrical connector.





2. Remove the retainer bolt.





3. Remove the retainer.
4. Pull up on the VSS in order to remove the VSS from the transaxle.
5. Remove the O-ring.

Installation Procedure





1. Lubricate a new O-ring with DEXRON III transmission fluid.
2. Install the new O-ring.
3. Install the Vehicle Speed Sensor (VSS) assembly.
4. Install the VSS retainer.





Notice: Refer to Fastener Notice in Service Precautions.

5. Install the VSS retainer bolt.
Tighten the bolt to 12 Nm (8 ft. lbs.).





6. Connect the VSS connector to the VSS.
7. Lower the vehicle.