Operation CHARM: Car repair manuals for everyone.
Manuals through 2025 now available!

Our trusted friends have launched a new website named LEMON, which has newer manuals. It also contains all the CHARM manuals.

LEMON is the spiritual successor to CHARM, I recommend you try it!

Link: lemon-manuals.la or lemon-manuals.org.ua

(Some people have issue connecting. LEMON is investigating. For now, use Firefox or change your DNS server)

Or, hide this message: temporarily or permanently

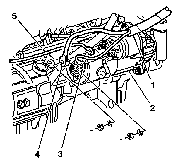
Starter Motor: Service and Repair

REMOVAL PROCEDURE
1. Disconnect the negative battery cable.
2. Raise and support the vehicle. Refer to Vehicle Lifting.




3. Disconnect the electrical connectors (3,4,5) from the starter.




4. Remove the starter bolts.
5. Remove the starter.

INSTALLATION PROCEDURE




1. Install the starter.
2. Install the starter bolts.

NOTE: Refer to Fastener Notice in Service Precautions.

Tighten
Tighten the starter bolts to 40 N.m (30 lb ft).




3. Connect the electrical connectors (4,5) to the starter.

Tighten
Tighten the battery terminal nut to 17 N.m (13 lb ft).

4. Connect the S terminal connector (3) to the starter.

Tighten
Tighten the battery terminal nut to 3 N.m (27 lb in).

5. Lower the vehicle.
6. Connect the negative battery cable.