Operation CHARM: Car repair manuals for everyone.
Manuals through 2025 now available!

Our trusted friends have launched a new website named LEMON, which has newer manuals. It also contains all the CHARM manuals.

LEMON is the spiritual successor to CHARM, I recommend you try it!

Link: lemon-manuals.la or lemon-manuals.org.ua

(Some people have issue connecting. LEMON is investigating. For now, use Firefox or change your DNS server)

Or, hide this message: temporarily or permanently

Regulation System Full Load Operation


Object: Check that, under full load, the OCR has a fixed value of 35% (31° to 32°).
1. Activate the switch on 8.0141 P harness, and start the engine.
2. Disconnect the vacuum hose on the vacuum switch (green reference ring). The reading on the OCR meter should be 35% (31° to 32°).
NOTE: To make the test, pinch the end of the hose.
3. If the value is different stop the engine and the fuel pumps (switch on 8.0141 p harness) and perform the following checks:


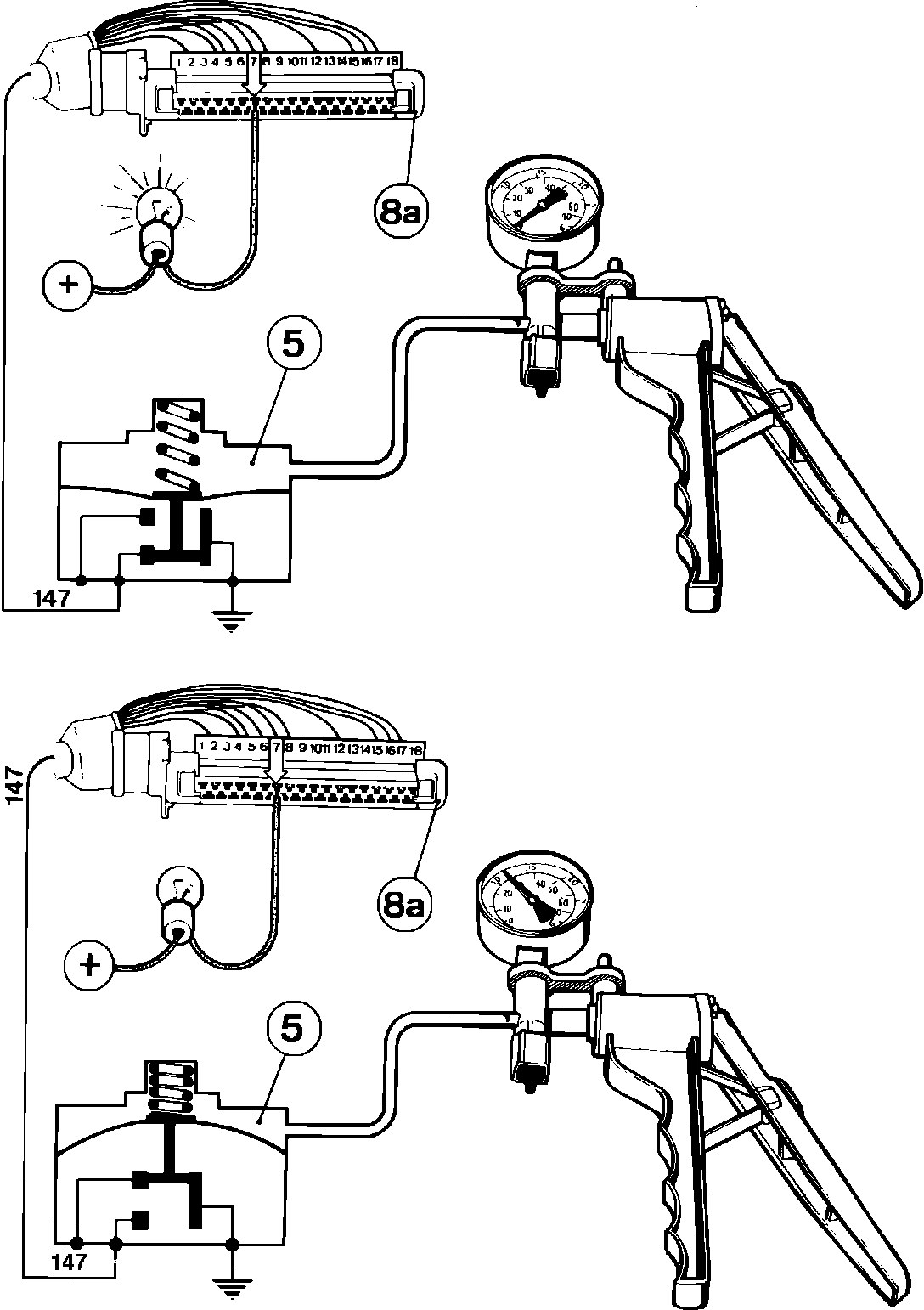
Fig. 13 Testing the full load vacuum switch:





a. Test the operation of the full load vacuum switch (5) using the hand held vacuum pump P.N. 90.31, Fig. 13.
b. Check the connection and continuity of wire 147 at pin #7 of connector (8a).