Operation CHARM: Car repair manuals for everyone.
Manuals through 2025 now available!

Our trusted friends have launched a new website named LEMON, which has newer manuals. It also contains all the CHARM manuals.

LEMON is the spiritual successor to CHARM, I recommend you try it!

Link: lemon-manuals.la or lemon-manuals.org.ua

(Some people have issue connecting. LEMON is investigating. For now, use Firefox or change your DNS server)

Or, hide this message: temporarily or permanently

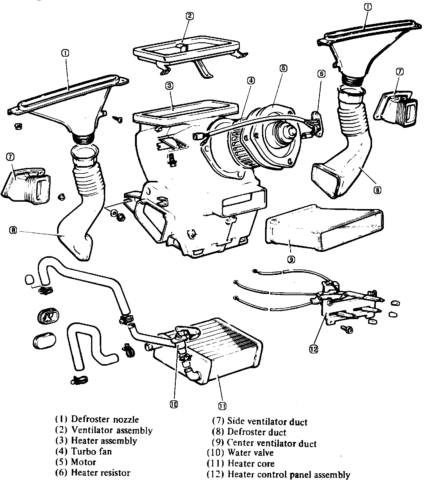
Blower Motor: Service and Repair

Fig. 23 Heater core & blower motor. 1984-86 Ram 50:





1. Disconnect battery ground cable.
2. Remove instrument cluster outlined.
3. Disconnect cable between blower motor and heater unit at connector.
4. Working through instrument cluster panel mounting area, remove blower motor attaching bolts.
5. Remove blower motor.
6. Reverse procedure to install.