Operation CHARM: Car repair manuals for everyone.
Manuals through 2025 now available!

Our trusted friends have launched a new website named LEMON, which has newer manuals. It also contains all the CHARM manuals.

LEMON is the spiritual successor to CHARM, I recommend you try it!

Link: lemon-manuals.la or lemon-manuals.org.ua

(Some people have issue connecting. LEMON is investigating. For now, use Firefox or change your DNS server)

Or, hide this message: temporarily or permanently

Repair Procedure

This repair procedure involves the installation of an in-tank electric fuel pump to prevent fuel starvation caused by vapor lock.

A. Engine Compartment Wiring Harness PN 4331935, Jumper (dash) Wiring Assembly PN 4362558 & Diode Wiring Jumper PN 4331924

1. Disconnect the battery.

FIGURE 2-B:




2. Remove grommet #2 from engine compartment side of firewall (Figure 2-B). Remove rectangular covering on instrument side of dash panel opposite the corresponding grommet removed. Install wiring assembly, PN 4362558, from the instrument panel side to the engine compartment and seat grommet in dash panel.

FIGURE 1-A:




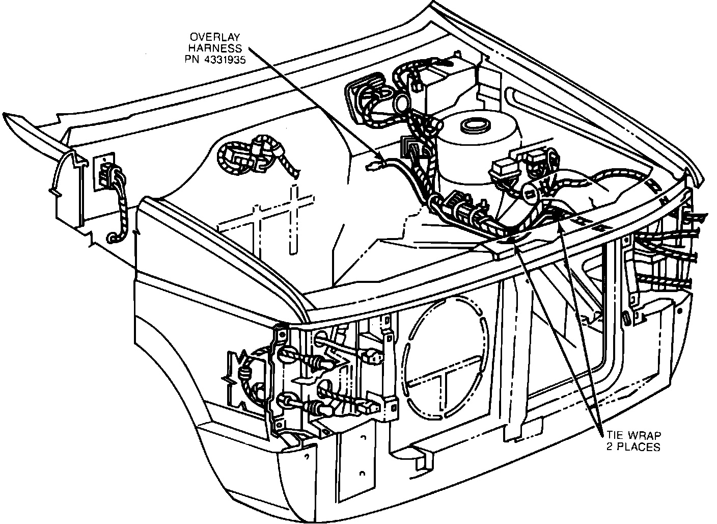
3. Install the bare eyelet terminal of the engine compartment overlay harness, PN 4331935, to the negative terminal of the ignition coil (Figure 1-A).

CAUTION: MAKE SURE THAT THE WIRE END OF THE TERMINAL IS POINTING AWAY FROM THE COIL SECONDARY TOWER WHEN NUT IS TIGHTENED TO AVOID ARCING.

FIGURE 1-B - ENGINE COMPARTMENT WIRING:




FIGURE 1-C:




4. Route the overlay harness along the existing headlamp-to-dash main wiring harness from the coil forward to radiator cowl panel. Then toward the left side of the engine compartment under fans and radiator (Figure 1-B). Route harness upward and toward the rear of the engine compartment to the bulkhead connector (Figure 1-C). Pass it through the large retainer clip nearest the bulkhead connector. Secure the overlay harness by using existing wiring clips and six tie wraps, PN 6015756, to the existing main wiring harness (Figures 1-B and 1-C).

FIGURE 1-D - (PN 436-2558):




5. Coat the bare blade terminal of the overlay harness liberally with Mopar MultiPurpose Grease, PN 4318063, and snap terminal into insulator, PN 5211617, located on engine side of jumper, PN 4362558 (Figure 1-D).

NOTE: DISCONNECT FEMALE INSULATOR FROM MALE INSULATOR PRIOR TO INSERTION OF TERMINAL AND BE SURE THAT WIRE OF ENGINE HARNESS MATES WITH SAME COLOR WIRE OF JUMPER.

FIGURE 6 - WIRING DIAGRAM:




6. Remove the large 5-way connector on the starter relay and extract the yellow wire (S-2 circuit - note location of wire in connector). On diode wiring jumper, PN 4331924, remove the loose insulator from the yellow with black tracer wire. Reset tang and snap the bare terminal of yellow wire (S-2 circuit) removed from the starter relay into the loose insulator from diode wire jumper, PN 4331924. Mate male connector in diode wire jumper, PN 4331924, with female connector now on yellow wire (S-2 circuit) from starter relay (Figure 6).

7. Insert bare female terminal wire (yellow with black tracer) of diode wire jumper, PN 4331924, into starter relay connector (same cavity from which S-2 yellow wire was extracted in Step 6, Figure 6).

FIGURE 2-A:




B. Instrument Panel Wiring Harness PN 4331574 (contains in-line fuse)

1. Remove the instrument panel steering column cover and lower silencer (optional) - (Figure 2-A).

FIGURE 1-D - (PN 436-2558):




2. Insert the two bare terminals from the instrument panel overlay harness, PN 4331574, into insulator, PN 5211618, located on instrument panel side of jumper, PN 4362558 (Figure 1-D).

NOTE: DISCONNECT MALE INSULATOR FROM FEMALE INSULATOR PRIOR TO INSERTION OF TERMINALS AND BE SURE WIRES OF INSTRUMENT PANEL HARNESS MATE WITH SAME COLOR WIRES OF JUMPER. RECONNECT INSULATORS.

FIGURE 2-C:




FIGURE 6 - WIRING DIAGRAM:




3. Disconnect the 5-way ignition switch connector and remove the yellow wire (Figure 2-C steering column may need to be lowered to gain access). Install the yellow wire just removed into the top half of the natural colored 2-way female connector supplied with the instrument panel overlay harness, PN 4331574.

NOTE: YELLOW WIRE IN FEMALE CONNECTOR MUST LINE UP WITH YELLOW WIRE IN MALE CONNECTOR OF OVERLAY HARNESS, PN 4331574 (FIGURES 2-C AND 6).

Install the bare terminal yellow wire of the instrument panel overlay harness, PN 4331574, into the previously vacated cavity in the ignition switch connector (Figures 2-C and 6).

4. Remove the dark blue wire from the 5-way igntion switch connector and install into the bottom half of the natural colored 2-way female connector of overlay harness (opposite the dark blue wire in male half of overlay harness, PN 4331574). Install the bare terminal dark blue wire from overlay harness into previously vacated cavity in ignition switch connector (Figures 2-C and 6).

5. Reconnect the natural colored 2-way connectors supplied with the instrument panel overlay harness and reconnect the ignition switch connector.
18-08-86 *Revised Part Numbers, TSB 18-37-86, Revised December 8, 1986

FIGURE 2-A:




6. Remove the far right-hand screw from the lower reinforcement steering column support bracket. Secure bare eyelet ground terminal (black wire) from the instrument panel overlay harness, PN 4331574, to the steering column support bracket using screw, PN 9422247 (Figure 2-A). Tighten securely.

FIGURE 2-D - INSTRUMENT PANEL WIRING:




FIGURE 2-E - TYPICAL CONTROL MODULE MOUNTING:




7. Connect the control module, PN 5226640, to the white 8-way connector from the instrument panel overlay harness.

8. Route the instrument panel harness and module to keep them clear of any possible interference. Spot tape the overlay harness to the main harness every six inches (Figure 2-D). Secure the control module to the main harness with a tie wrap, PN 6015756, close to the bulkhead connector (Figure 2-E).

FIGURE 2-A:




9. Replace the steering column lower silencer and cover (Figure 2-A).
C. In-Tank Fuel Gauge/Pump Unit Assembly Installation

1. Refer to the service manual for procedure for removing fuel tank sending unit.

2. Install seal, PN 6031475, on the new gauge/pump unit, PN 4075479* (15 gallon tank) or PN 4075480* (20 gallon tank). Using extreme caution to protect the float and gauge assembly, install new gauge/pump unit in the fuel tank.

3. Refer to the service manual procedure for the balance of the installation of the fuel tank sending unit.

4. Install the 3-terminal fuel gauge connector to the gauge/pump unit.

D. Body Wiring Harness PM 4331724

1. Insert the mold of body harness, PN 4331724, onto the stud of the fuel tank gauge/pump unit.

FIGURE 3-A:




2. Insert the "basket handle" type clip into the existing ring clip on rear crossmember. Route the harness along the rear crossmember to the left frame rail. Secure the harness using two tie wraps, PN 6015756 (Figure 3-A).

FIGURE 3-B - BODY WIRING:




3. Route the body harness, PN 4331724, along the existing brake lines on the left frame rail, working toward the engine compartment. Secure the harness with eight (8) tie wraps, PN 6015756, locating each tie wrap near the existing brake line clips (Figure 3-B).

4. At the engine compartment, route the harness through the speedometer cable clips to the bulkhead connector.

FIGURE 1-D - (PN 436-2558):




5. Coat the bare blade terminal of the body harness, PN 4331724, liberally with Mopar Multi-Purpose Grease, PN 4318063, and snap terminal into insulator, PN 5211617, located on engine side of jumper, PN 4362558 (Figure 1-D).

NOTE: INSULATORS SHOULD BE DISCONNECTED IN STEP A. 5. IF NOT, DISCONNECT FEMALE INSULATOR FROM MALE INSULATOR PRIOR TO INSERTION OF TERMINAL AND BE SURE THAT WIRE OF BODY HARNESS MATES WITH SAME COLOR WIRE OF JUMPER. RECONNECT INSULATORS.
18-08-86 *Note added, TSB 18-08-86, Revised December 8, 1986


E. Engine Compartment

*NOTE: HIGH ALTITUDE VEHICLES ALREADY CONTAIN A PRESSURE REGULATOR ON THE DASH
PANEL AND A 3-PORT FUEL RESERVOIR NEAR THE CARBURETOR. IN THESE CASES DO NOT INSTALL THE PRESSURE REGULATOR AND FUEL RESERVOIR PACKAGE, PN 4342938, AND DO NOT PERFORM STEPS E.1. THROUGH E.11.

1. Remove and discard the 90~ formed hose located between the fuel pump outlet and the carburetor inlet. If the vehicle has a reservoir, disconnect the reservoir inlet hose at the pump and the outlet hose at the carburetor. Discard the reservoir and hoses.

FIGURE 4:




2. Remove the vapor return hose between the fuel pump and chassis return line. Install the Y connector/hose assembly, PN 4307384, with the curved leg of the Y connector pointing straight up. Connect the three hoses to the fuel pump vent, reservoir vent, and chassis fuel return line using three hose clamps, PN 6500650 (Figure 4). Torque to 10 inch pounds.

3. Remove the thermostat housing bolt closest to the carburetor (already removed in Step 1 if vehicle had a reservoir) and coat threads with Loctite/Mopar Sealant, PN 4318034. Install reservoir assembly, PN 4307358, to the thermostat housing using the bolt just removed. Retorque the bolt to 12 to 17 foot pounds (Figure 4-A).

4. Remove the existing hose clip on the valve cover and discard.

5. Attach the 7" long hose on the reservoir inlet to the fuel pump outlet nipple (Figure 4) and clamp with hose clamp, PN 6500650. Torque to 10 inch pounds.

FIGURE 5 - PRESSURE REGULATOR BRACKET INSTALLATION:




6. On the right side of the dash panel, mark the location of the pressure regulator bracket top attaching hole (Figure 5). Center punch and drill a 1/8" diameter hole and attach pressure regulator bracket, PN 4306972, with self-tapping screw, PN 6031991. (Position the bracket so its top surface is horizontal and tighten screw securely.) Drill 1/8" diameter holes in the center of the two lower bracket holes. Install the remaining screws, PN 6031991, and tighten securely.

7. Attach the pressure regulator assembly, PN 4307381, to the bracket, PN 4306972, with two self-tapping screws, PN 6033066, and tighten securely.

FIGURE 4:




8. Connect hose assembly, PN 4307382, from the fuel reservoir outlet (on the bottom of the reservoir) to the pressure regulator inlet (bottom fitting) - (Figure 4). Route this hose over the coolant hose, under the ignition wires, over the A/C liquid line (small), and over the A/C suction line (large). Clamp with hose clamp, PN 6500650. Torque to 10 inch pounds.

NOTE: ROTATE THE CLAMP ON THE COOLANT HOSE NEAR THE FUEL RESERVOIR SO NO SHARP METAL EDGES WILL CONTACT THE FUEL HOSES RUNNING OVER THE CLAMP.

9. Connect white stripe hose assembly, PN 4307383, from the pressure regulator outlet to the carburetor fuel inlet (Figure 4). Clamp with hose clamp, PN 6500650. Torque to 10 inch pounds.
10. Place the four fuel hoses listed below in clip, PN 4307242, starting with the hose closest to the attaching screw (Figure 4).

a. Chassis fuel supply line to fuel filter inlet hose.

b. Fuel vapor return hose from the fuel pump and reservoir to the chassis return line.

c. Pressure regulator outlet to carburetor inlet hose.

d. Fuel reservoir to pressure regulator inlet hose.

Close the top part of the clip over the hoses. Attach clip with original hose clip screw and tighten securely.

11. Tie wrap reservoir-to-pressure regulator and pressure regulator-to-carburetor hoses to the chassis fuel supply to filter hose (Figure 4).

12. Reconnect battery.

FIGURE 7:




13. Type Authorized Modification Label, PN 4275086, as shown in Figure 7 and attach near VECI label.

14. Check the pressure regulator, fuel reservoir, and hose clip for secure mounting. Check all wiring and fuel hoses for proper routing, making sure they are not contacting any sharp metal edges. Make sure clamps are tight and NO sharp edges or clamp screws are contacting adjacent hoses or wires. Start the engine and check the entire system for fuel leaks.
POLICY: Reimbursable within the provisions of the warranty


TIME ALLOWANCE:
Labor Operation No. 14-70-17-90 2.0 Hrs.


FAILURE CODE: AM - Authorized Modification