Operation CHARM: Car repair manuals for everyone.
Manuals through 2025 now available!

Our trusted friends have launched a new website named LEMON, which has newer manuals. It also contains all the CHARM manuals.

LEMON is the spiritual successor to CHARM, I recommend you try it!

Link: lemon-manuals.la or lemon-manuals.org.ua

(Some people have issue connecting. LEMON is investigating. For now, use Firefox or change your DNS server)

Or, hide this message: temporarily or permanently

Driveability Manual - Revisions

87chrysler17 Models


1987-1988 "YDC" (Conquest) & "LA" (Colt)


Subject


Driveability Service Manual Revisions


Index


DRIVEABILITY


Date

November 23, 1987

No.


18-19-87 (C20-18)

P-4324



























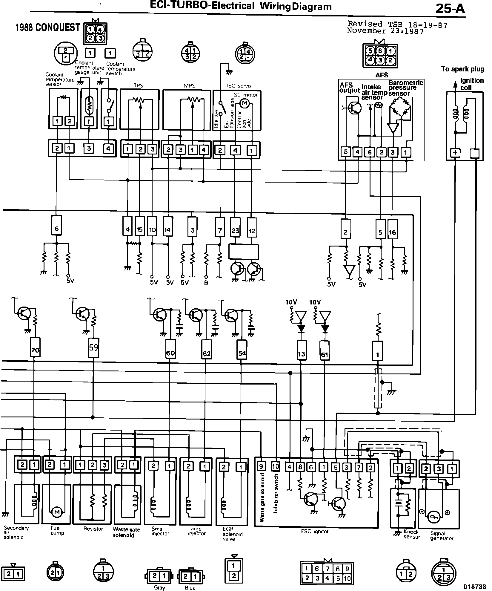
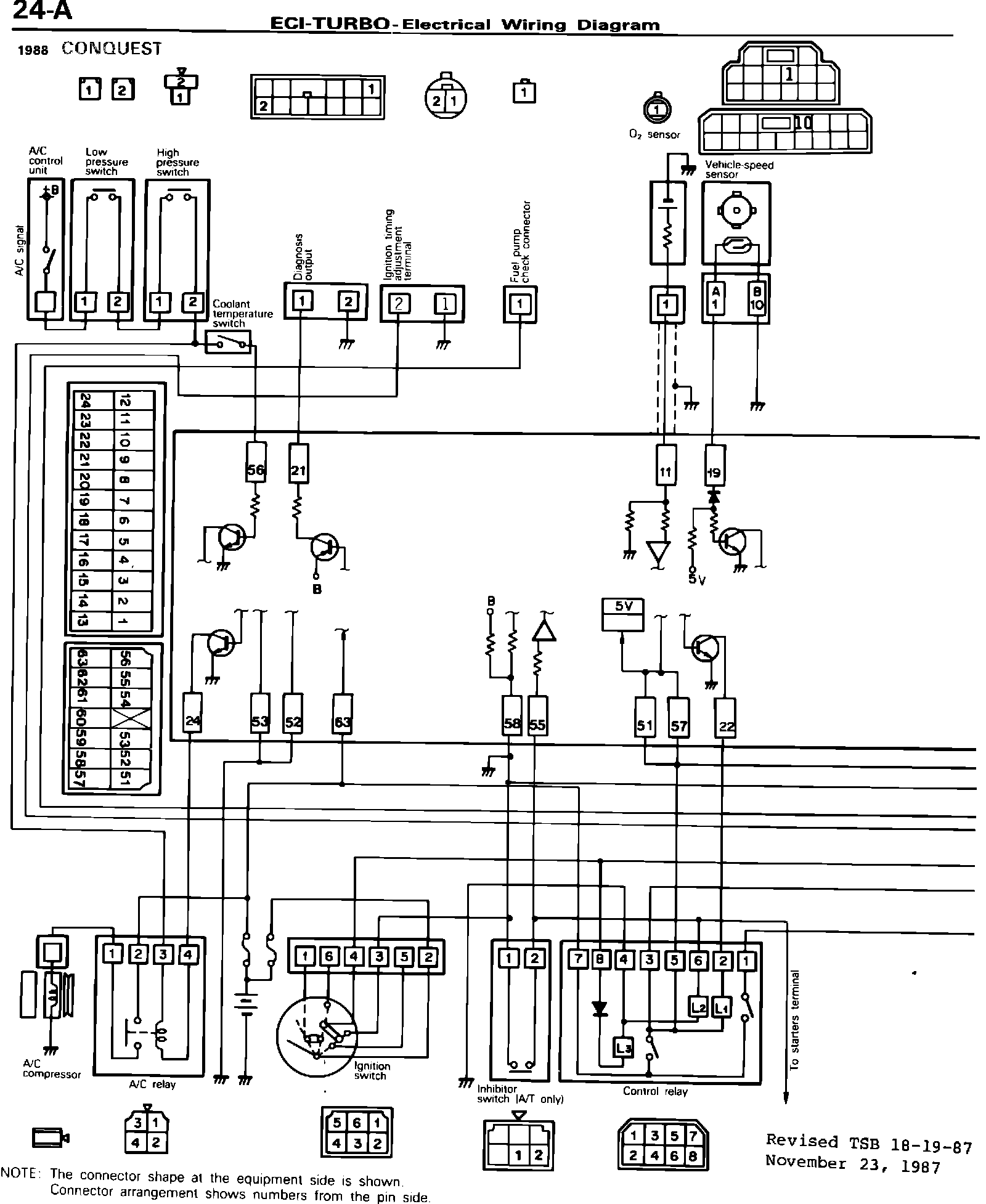
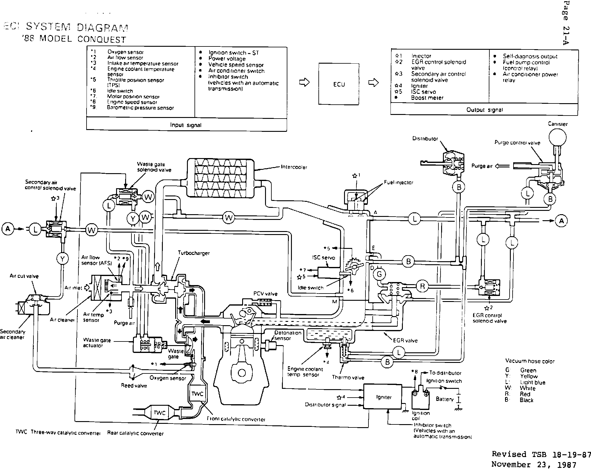
This bulletin is issued to revise and update the Colt/Conquest ECI-Turbo Driveability Troubleshooting Manual, publication #81-699-7032, to include 1988 models.

Using the chart provided, staple, tape, or glue the revised pages in the manual.

Service Manual Publication No. Revised Pages

Colt/Conquest 81-699-7032 21-A, 24-A, 25-A,
26, 97, 100, 103-A,

104-A and 104-B

NOTE: PAGES FOLLOWED WITH THE LETTER A OR B ARE ADDITIONAL NEW PAGES THAT APPLY TO THE 1988 MODEL YEAR ONLY.

On page 98 Service Manual, publication #81-699-7032, change Figure 4 to read 4G5 engine from a 4G6 engine.
POLICY: Information only