Operation CHARM: Car repair manuals for everyone.
Manuals through 2025 now available!

Our trusted friends have launched a new website named LEMON, which has newer manuals. It also contains all the CHARM manuals.

LEMON is the spiritual successor to CHARM, I recommend you try it!

Link: lemon-manuals.la or lemon-manuals.org.ua

(Some people have issue connecting. LEMON is investigating. For now, use Firefox or change your DNS server)

Or, hide this message: temporarily or permanently

System Description

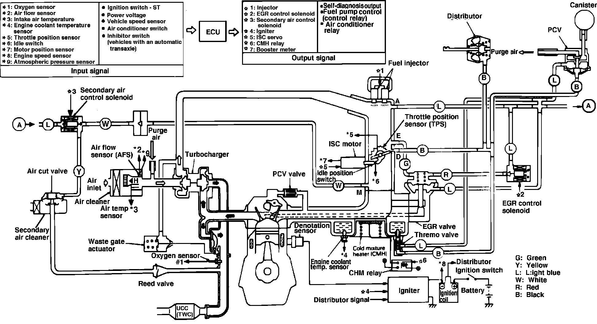
Fig. 2 Electronic control injection system diagram. 1987-88 Colt:





The Electronically Controlled Injection System (ECI), Fig. 2 used on 1600cc and 2600cc turbocharged engines, is a computer controlled, dual point fuel injection system which provides a precise fuel/air ratio under all driving conditions. The system utilizes a pre-programmed electronic control unit (ECU), to regulate ignition timing, idle speed, emission devices and fuel/air ratio. Various sensors and switches located throughout the engine compartment provide information to the ECU. This system also incorporates a self diagnosis function which monitors various parameters for proper operation.