Operation CHARM: Car repair manuals for everyone.
Manuals through 2025 now available!

Our trusted friends have launched a new website named LEMON, which has newer manuals. It also contains all the CHARM manuals.

LEMON is the spiritual successor to CHARM, I recommend you try it!

Link: lemon-manuals.la or lemon-manuals.org.ua

(Some people have issue connecting. LEMON is investigating. For now, use Firefox or change your DNS server)

Or, hide this message: temporarily or permanently

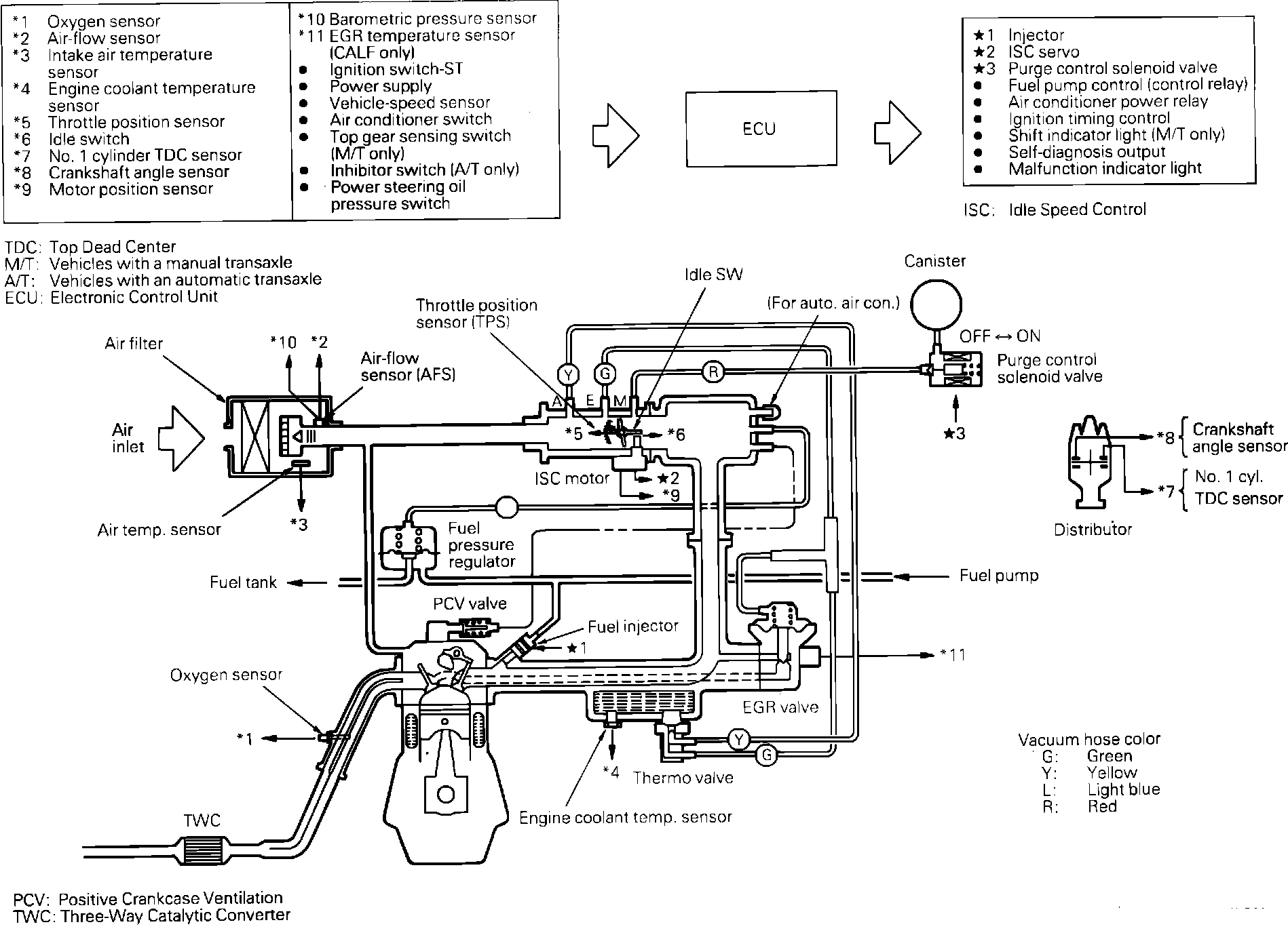
Multi-Point Fuel Injection (MPI)

Multi-Point Injection System:





The multi-point injection system, Fig. 1 is a computer controlled multi-point fuel injection system which provides a precise air/fuel ratio under all driving conditions. The system utilizes a pre-programmed electronic control unit (ECU), to regulate ignition timing, idle speed, emission devices and air/fuel ratio. Various sensors and switches located throughout the engine compartment, provide information to the ECU. This system also incorporates a self diagnosis function which monitors various parameters for proper operation.