Operation CHARM: Car repair manuals for everyone.
Manuals through 2025 now available!

Our trusted friends have launched a new website named LEMON, which has newer manuals. It also contains all the CHARM manuals.

LEMON is the spiritual successor to CHARM, I recommend you try it!

Link: lemon-manuals.la or lemon-manuals.org.ua

(Some people have issue connecting. LEMON is investigating. For now, use Firefox or change your DNS server)

Or, hide this message: temporarily or permanently

Transmission Control System

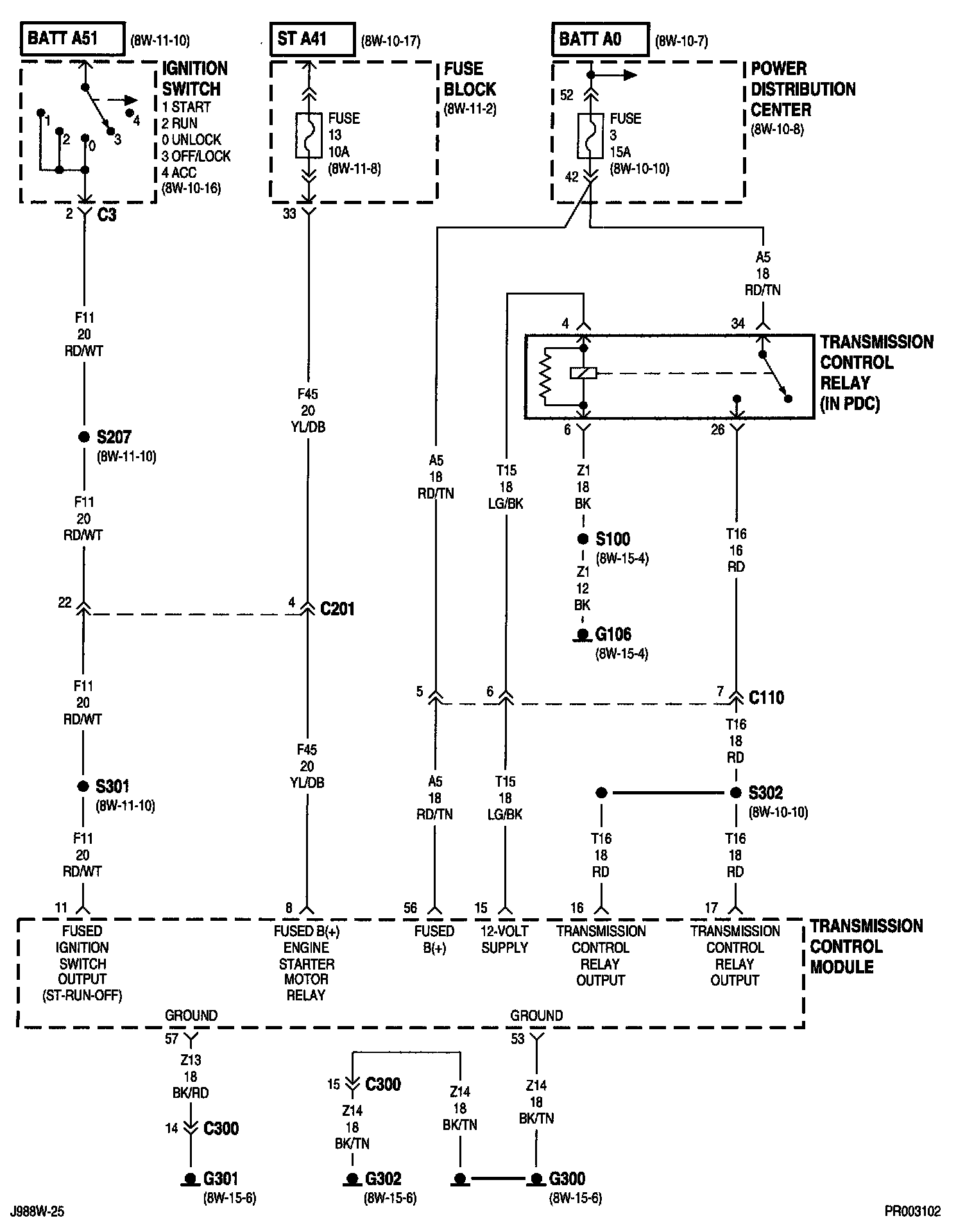
8W-31-02:




Fuse 3 (PDC)
Fuse 13 (FB)
Fuse Block
G106
G300
G301
G302
Ignition Switch
Power Distribution Center
Transmission Control Module
Transmission Control Relay


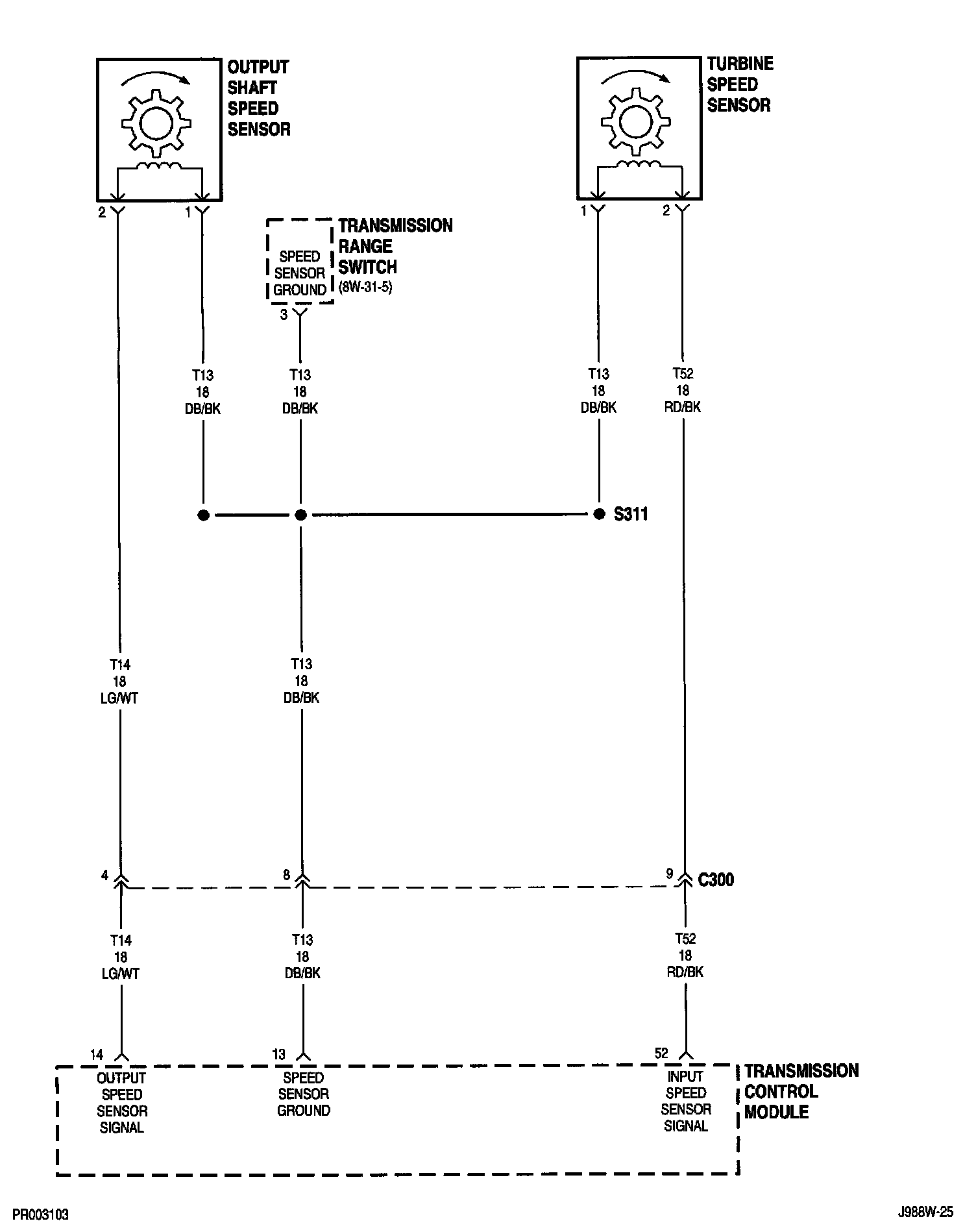
8W-31-03:




Output Shaft Speed Sensor
Transmission Control Module
Transmission Range Switch
Turbine Speed Sensor


8W-31-04:




Crankshaft Position Sensor
Powertrain Control Module
Throttle Position Sensor
Transmission Control Module


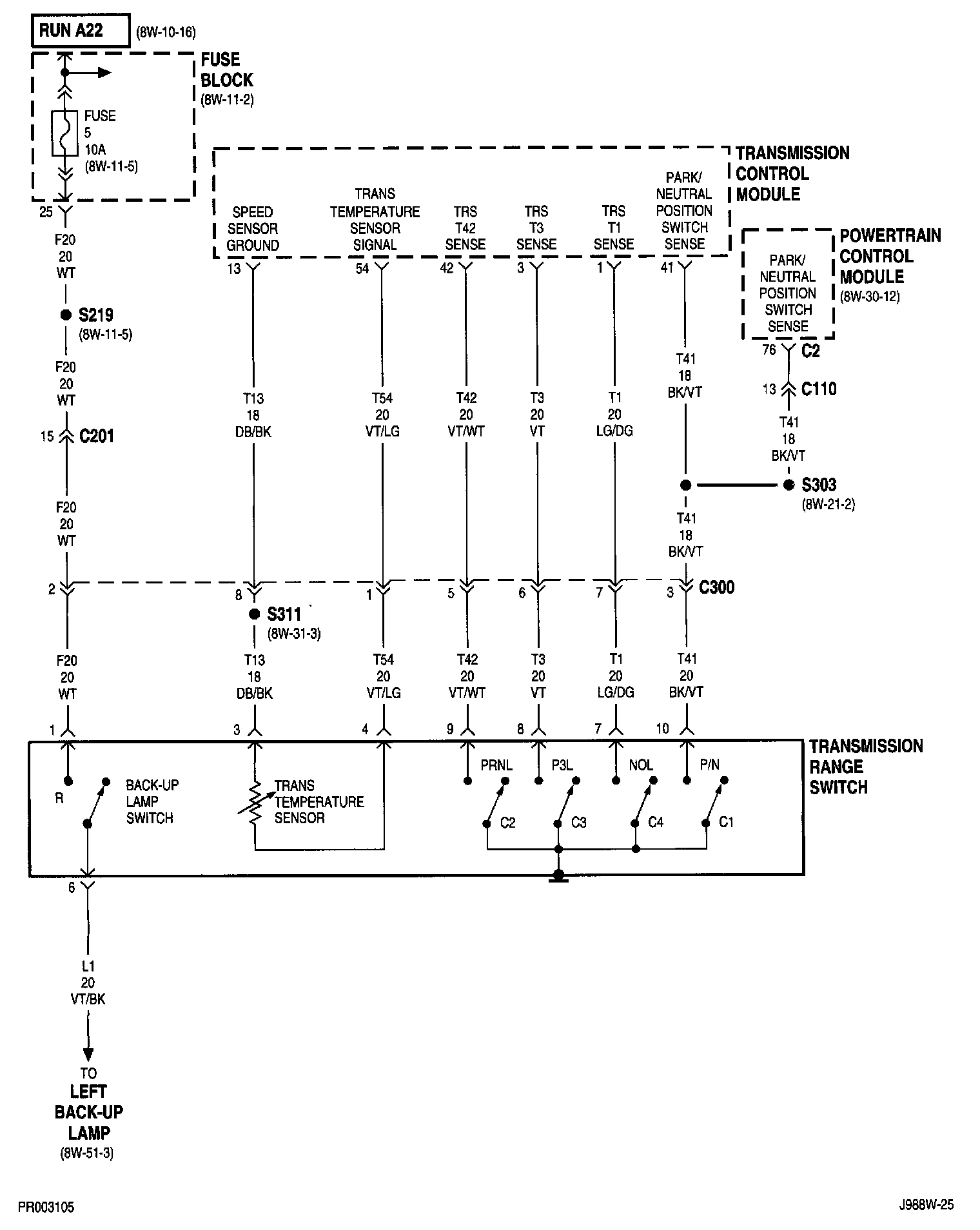
8W-31-05:




Fuse 5 (FB)
Fuse Block
Left Back-Up Lamp
Powertrain Control Module
Transmission Control Module
Transmission Range Switch


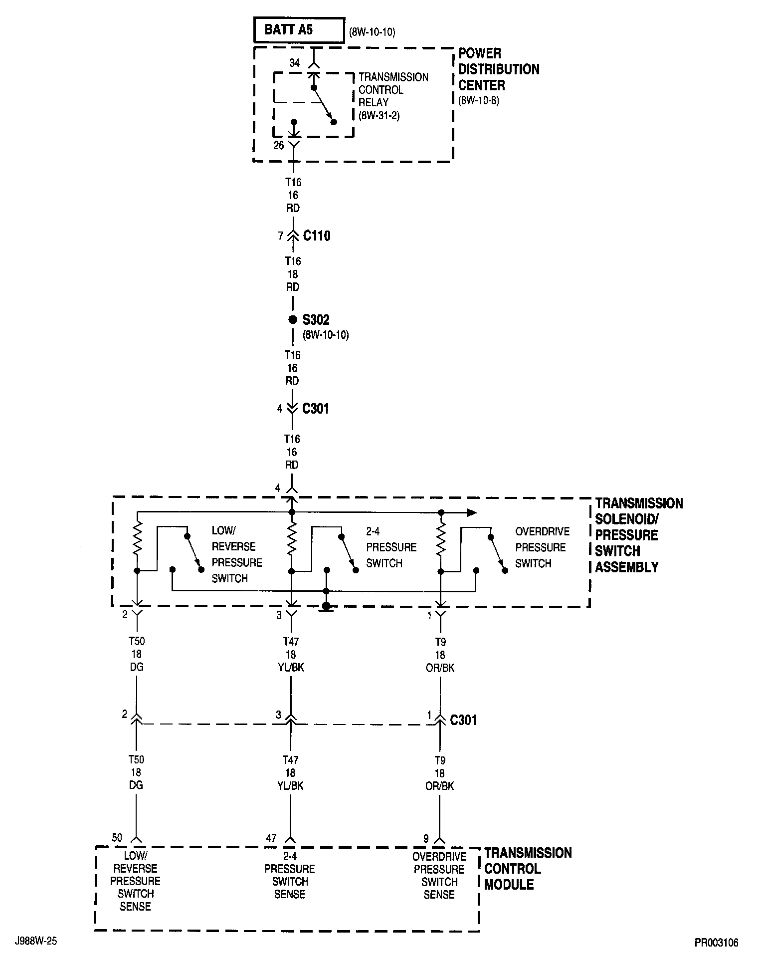
8W-31-06:




Low/Reverse Pressure Switch
Overdrive Pressure Switch
Power Distribution Center
Transmission Control Module
Transmission Control Relay
Transmission Solenoid/Pressure Switch Assembly


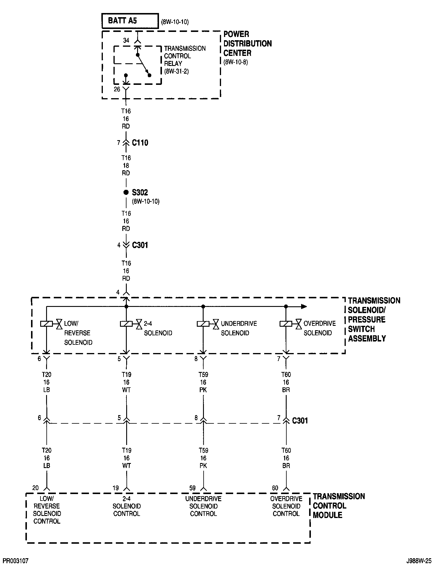
8W-31-07:




Low/Reverse Solenoid
Overdrive Solenoid
Power Distribution Center
Transmission Solenoid/Pressure Switch Assembly
Underdrive Solenoid


8W-31-08:




Autostick Switch
Data Link Connector
G301
Ignition Switch
Powertrain Control Module
Transmission Control Module


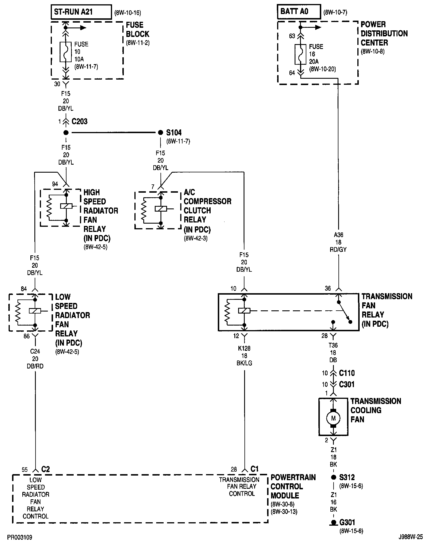
8W-31-09:




A/C Compressor Clutch Relay
Fuse 10 (FB)
Fuse 16 (PDC)
Fuse Block
G301
High Speed Radiator Fan Relay
Low Speed Radiator Fan Relay
Power Distribution Center
Powertrain Control Module
Transmission Cooling Fan
Transmission Fan Relay

NOTE: To view sheets referred to in these diagrams, see Complete Body and Chassis Diagrams Diagrams By Group Number