Refrigerant Filter: Service and Repair
REMOVAL1. Remove refrigerant from A/C system using a refrigerant recovery machine.
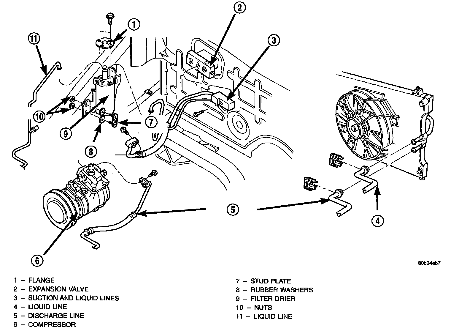
2. Remove the two flange bolts.
Suction And Liquid Lines:
3. Pull liquid and suction lines free from the filter/drier.
Filter/Drier:
4. Remove filter/drier bracket mounting nuts and fastener.
5. Cap lines while system is open to prevent moisture from entering system.
INSTALLATION
CAUTION: When installing new filter/drier do not leave open to atmosphere for a long period of time.
The filter/drier contains moisture absorbing materials which will absorb moisture in the atmosphere.
For installation, reverse the above procedures.