Operation CHARM: Car repair manuals for everyone.
Manuals through 2025 now available!

Our trusted friends have launched a new website named LEMON, which has newer manuals. It also contains all the CHARM manuals.

LEMON is the spiritual successor to CHARM, I recommend you try it!

Link: lemon-manuals.la or lemon-manuals.org.ua

(Some people have issue connecting. LEMON is investigating. For now, use Firefox or change your DNS server)

Or, hide this message: temporarily or permanently

Ignition Switch: Service and Repair

Ignition Switch:




The ignition switch attaches to the lock cylinder housing on the end opposite the lock cylinder.

REMOVAL
1. Disconnect negative cable from battery.
2. Remove tilt lever attaching screw. Remove lever.
3. Remove upper and lower cover from steering column.
4. Remove Sentry Key Immobilizer Module (SKIM) if equipped. Refer to the Power Door Locks for removal.
5. Remove multi-function switch.

Ignition Switch Removal/Installation:




6. Disconnect electrical connector from ignition switch.
7. Remove Ignition switch mounting screws. Remove switch.

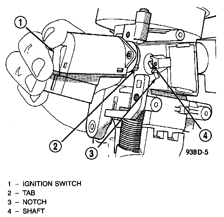
Ignition Switch Alignment:




INSTALLATION
1. A tab on the ignition switch indexes to a notch in the lock cylinder housing. Also, a slot in the end of the ignition switch fits over the shaft in the end of the lock cylinder housing. Use the ignition key to rotate the lock cylinder to align the ignition switch with lock cylinder housing.
2. Install and tighten ignition switch mounting screws.
3. Attach electrical connector to ignition switch.
4. Install multi-function switch.
5. Install SKIM if equipped, refer to the Power Door Locks for installation.
6. Install upper and lower cover on steering column.
7. Install tilt lever.
8. Connect negative cable to battery.