Operation CHARM: Car repair manuals for everyone.
Manuals through 2025 now available!

Our trusted friends have launched a new website named LEMON, which has newer manuals. It also contains all the CHARM manuals.

LEMON is the spiritual successor to CHARM, I recommend you try it!

Link: lemon-manuals.la or lemon-manuals.org.ua

(Some people have issue connecting. LEMON is investigating. For now, use Firefox or change your DNS server)

Or, hide this message: temporarily or permanently

Refrigerant Filter: Service and Repair

REMOVAL
1. Remove refrigerant from A/C system using a refrigerant recovery machine.
2. Remove the two flange bolts.

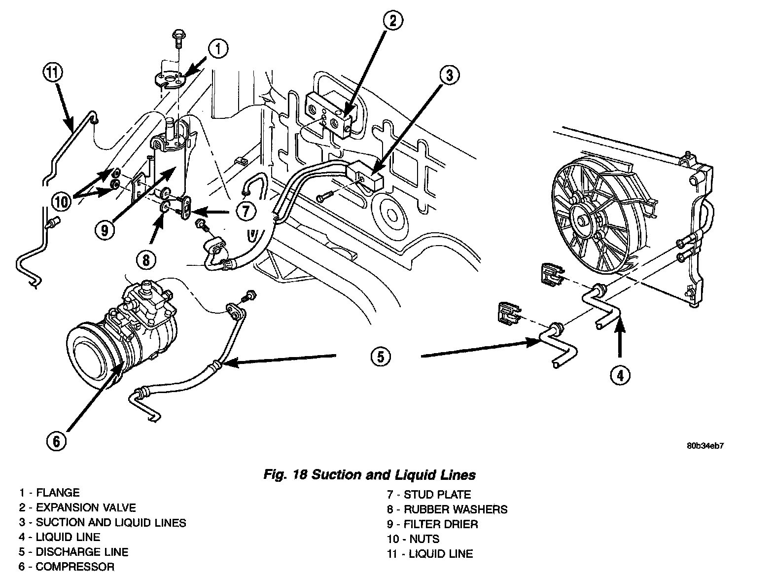
Fig. 18 Suction and Liquid Lines:




3. Pull liquid and suction lines free from the filter/drier.

Fig. 17 Filter/Drier:




4. Remove filter/drier bracket mounting nuts and fastener.
5. Cap lines while system is open to prevent moisture from entering system.

INSTALLATION

CAUTION: When installing new filter/drier do not leave open to atmosphere for a long period of time. The filter/drier contains moisture absorbing materials which will absorb moisture in the atmosphere.

1. Position the filter drier in the mounting bracket.
2. Install the mounting nuts and fastener.
3. Connect the refrigerant lines to the filter drier.
4. Install the two flange bolts.
5. Evacuate the refrigerant system.
6. Recharge the refrigerant system.