Operation CHARM: Car repair manuals for everyone.
Manuals through 2025 now available!

Our trusted friends have launched a new website named LEMON, which has newer manuals. It also contains all the CHARM manuals.

LEMON is the spiritual successor to CHARM, I recommend you try it!

Link: lemon-manuals.la or lemon-manuals.org.ua

(Some people have issue connecting. LEMON is investigating. For now, use Firefox or change your DNS server)

Or, hide this message: temporarily or permanently

Air Injection: Testing and Inspection

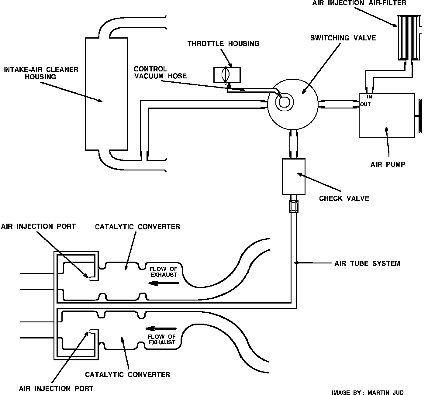
Fig. 26 Air Injection System Schematic:





SYSTEM TEST:

1. Check and/or adjust the air pump drive belt. The injection air-filter must be checked or replaced (every 48,000 km / 30,000 miles) if necessary.
2. Blow low pressure air through all the connecting air hoses, the control vacuum hose and the air tube system to ensure open air passages.
Check hoses for aging and oil saturation, replace if necessary.
3. Disconnect the check valve from the air tube connection and the air hose at the intake-air cleaner housing.
4. Start engine.
5. At idle speed and partial load the injection air should exit below the check valve. If not, check all individual components as described below.
6. Disconnect and plug the control vacuum hose at the switching valve. The injection air should now exit at the air hose to the intake-air cleaner housing. If not, check all individual components as described below.
7. Turn engine off.
8. Reconnect all hoses and connections.


INDIVIDUAL COMPONENT TESTS:

NOTE: In order to operate correctly, the air injection system tubes and hoses must be routed correctly, in good condition and free of internal restriction.

Fig. 4 Vacuum Connections At Throttle Body:





CONTROL VACUUM HOSE
1. The control vacuum hose must be in good condition and connected to the throttle housing as shown in Fig. 4.
1= For EVAP system
2= For pressure regulator
3= For control vacuum hose on all vehicles except California market
4= For control vacuum hose on California market vehicles


Fig. 6 Air Injection Air Filter:





AIR INJECTION AIR-FILTER
1. Check and/or replace the air-filter (recommended every 48,000 km / 30,000 miles). The filter is located in center front of engine between air intake ducts.

AIR PUMP AND DRIVE BELT
1. Check drive belt (recommended every 48,000 km / 30,000 miles) for tension and aging. Adjust or replace if necessary.
2. Disconnect air hose at air pump outlet.
3. Start engine.
4. A constant stream of air must exit the pump outlet. The higher the engine RPM, the stronger the air stream. If there is no air exiting the pump, replace with new pump and retest.

Fig. 5 Switching Valve:





SWITCHING VALVE
1. Remove the switching valve from the engine.
2. Blow air through the valve. The valve should route the air from inlet (2) to outlet (4).
3. Connect a vacuum pump to the switching valve vacuum port (1) and apply vacuum.
4. Blow air through the valve. The valve should now route the air from inlet (2) to outlet (3).
5. If valve fails the test, replace and retest with new valve.
6. Reinstall switching valve.

CHECK VALVE
1. Remove the check valve from the engine.
2. Blow compressed air through the valve (in direction of system air-flow). The valve should be open.
3. Blow air through the valve against direction of system air-flow. The valve should close.
4. If valve fails the test, replace and retest with new valve.
5. Reinstall check valve.