Operation CHARM: Car repair manuals for everyone.
Manuals through 2025 now available!

Our trusted friends have launched a new website named LEMON, which has newer manuals. It also contains all the CHARM manuals.

LEMON is the spiritual successor to CHARM, I recommend you try it!

Link: lemon-manuals.la or lemon-manuals.org.ua

(Some people have issue connecting. LEMON is investigating. For now, use Firefox or change your DNS server)

Or, hide this message: temporarily or permanently

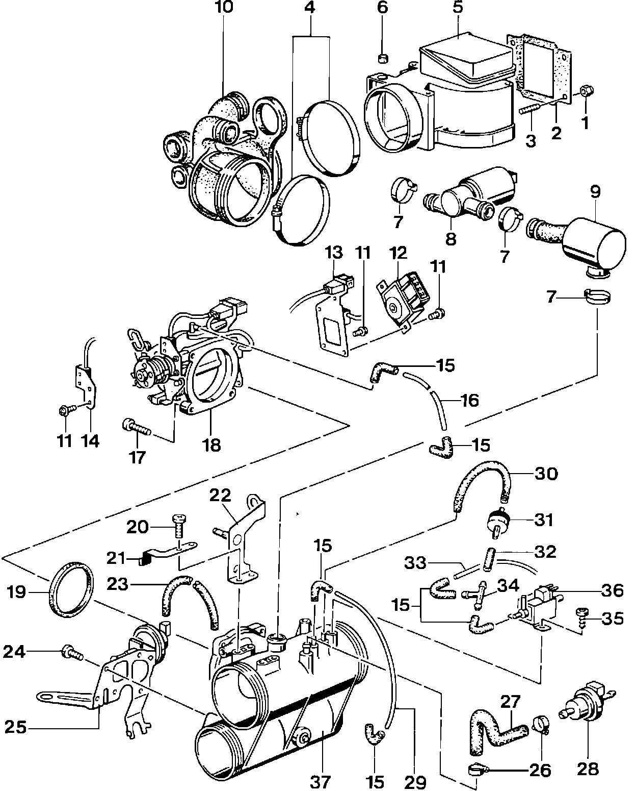
Center Section

Injection System Components - Removing/Installing, DME Center Section:





REMOVE (in order)
1 Lock nut - 4
2 Gasket - 1
3 Stud M 6 x 16 - 4
4 Hose clamp - 2
5 Air flow sensor - 1
6 Plug - 1
7 Hose clamp - 3
8 Idle speed positioner - 1
9 Muffler - 1
10 Rubber shroud - 1
11 Phillips screw M 4 x 10 - 4
12 Potentiometer for Tiptronic transmission - 1
13 Microswitch for full-load contact - 1
14 Microswitch for idle contact - 1
15 Rubber hose - 6
16 Polyamide tube - 1
17 Pan-head screw M 5 x 18 - 4
18 Throttle body - 1
19 Seal - 1
20 Phillips screw M 5 x 10 - 2
21 Bracket - 1
22 Bracket for Tiptronic cable - 1
23 Rubber hose - 1
24 Phillips screw M 5 x 10 - 5
25 Bracket with vacuum unit - 1
26 Hose clamp - 2
27 Rubber hose - 1
28 Venting valve - 1
29 Polyamide tube - 1
30 Rubber hose - 1
31 Check valve - 1
32 Rubber hose - 1
33 Polyamide tube - 1
34 Branch piece - 1
35 Phillips screw M 5 x 12 - 2
36 Solenoid valve
37 Connector tube - 1

REFIT
Reverse steps.
Replace gasket (#2).
Replace seal (#19).
Apply Loctite 270, or equivalent, (#3).
Replace plug (#6).