Operation CHARM: Car repair manuals for everyone.
Manuals through 2025 now available!

Our trusted friends have launched a new website named LEMON, which has newer manuals. It also contains all the CHARM manuals.

LEMON is the spiritual successor to CHARM, I recommend you try it!

Link: lemon-manuals.la or lemon-manuals.org.ua

(Some people have issue connecting. LEMON is investigating. For now, use Firefox or change your DNS server)

Or, hide this message: temporarily or permanently

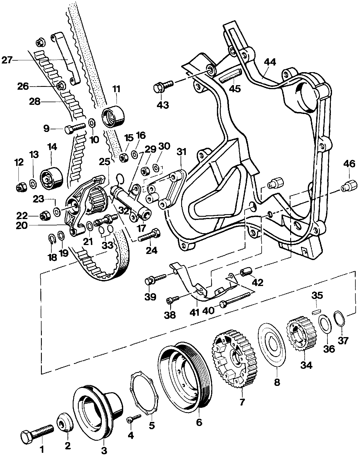
Timing Belt




Key to Image
1- Hexagon head bolt M 16 x 1.5 x 60 - Tightening torque 210 Nm (155 ft lb)
2- Washer
3- Pulley
4- Pan head screw M 6 x 25 - Tightening torque 15 Nm (11 ft lb)
5- Tab washer
6- Pulley
7- Gear drive for balance shafts
8- Flange washer
9- Hexagon head bolt M 10 x 30
10- Washer A 10.5
11- Pulley
12- Locknut M 10
13- Washer A 10.5
15- Hexagon head nut
16- Washer A 8.4
17- Hydraulic toothed belt tensioner
18- Snap ring 14 x 1
19- Shim 14 x 20 x 0.5
20- Tensioning lever for toothed belt tensioner
21- Shim 14 x 20 x 0.5
22- Lock nut - Tightening torque 45 Nm (33 ft lb)
23- Washer
24- Hexagon head bolt M 10x 45
25- Tensioning pulley
26- Lock nut
27- Locking clamp
28- Camshaft toothed belt - Treat carefully, do not twist or turn
29- Hexagon head nut
30- Washer A 8.4
31- Console
32- Shaft bolt M 10 - Heat shaft bolt area with hot air gun (Use Loctite 270 to bond into crankshaft. Pack lubricating groove with Optitemp PU 035 grease Part No.000 043 110 00. Tightening torque 45 Nm (33 ft lbs.
33- O-ring 12 x 1.5 - Replace
34- Camshaft drive gear - Apply a thin coat of Optimoly HT to mount area. Lettering points to the front.
35- Woodruff key 5 x 5 x 22
36- Support washer
37- Round seal - Replace
38- Pan-head screw
39- Hexagon head bolt with captive washer M 6 x 42
40- Hexagon head bolt M 6 x 70
41- Guide rail - Adjustments
42- Spacer sleeve
43- Combination screw
44- Toothed belt cover
45- Anti-chafing protection
46- Spacer 3