Operation CHARM: Car repair manuals for everyone.
Manuals through 2025 now available!

Our trusted friends have launched a new website named LEMON, which has newer manuals. It also contains all the CHARM manuals.

LEMON is the spiritual successor to CHARM, I recommend you try it!

Link: lemon-manuals.la or lemon-manuals.org.ua

(Some people have issue connecting. LEMON is investigating. For now, use Firefox or change your DNS server)

Or, hide this message: temporarily or permanently

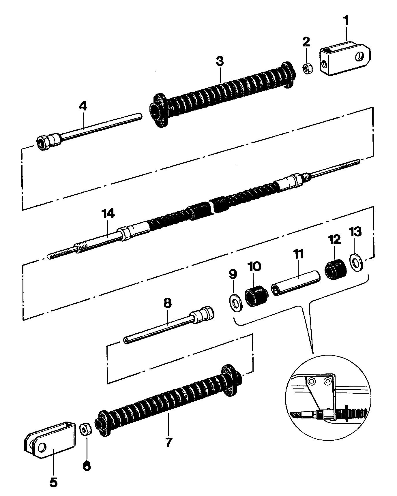
Shift Cable, A/T







Legend
1 Fork Head
2 Hexagon Nut
3 Gaiter Seal
4 Guide Tube
5 Fork Head
6 Hexagon Nut
7 Gaiter Seal
8 Guide Tube
9 Washer
10 Rubber Mount
11 Spacer Tube
12 Rubber Mount
13 Washer
14 Cable