Operation CHARM: Car repair manuals for everyone.
Manuals through 2025 now available!

Our trusted friends have launched a new website named LEMON, which has newer manuals. It also contains all the CHARM manuals.

LEMON is the spiritual successor to CHARM, I recommend you try it!

Link: lemon-manuals.la or lemon-manuals.org.ua

(Some people have issue connecting. LEMON is investigating. For now, use Firefox or change your DNS server)

Or, hide this message: temporarily or permanently

Disassembly/Assembly


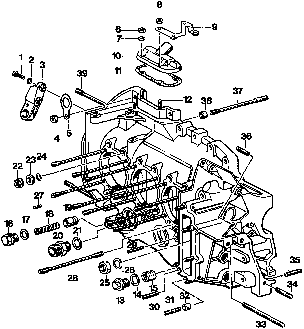
Left-Hand Crankcase Section

Left Hand Crankcase (Part 1 Of 4):




Left Hand Crankcase (Part 2 Of 4):




Left Hand Crankcase (Part 3 Of 4):




Left Hand Crankcase (Part 4 Of 4):






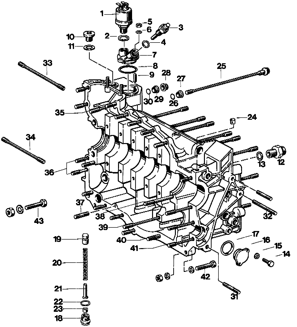
Right-Hand Crankcase Section

Right Hand Crankcase Half (Part 1 Of 3):




Right Hand Crankcase Half (Part 2 Of 3):




Right Hand Crankcase Half (Part 3 Of 3):





NOTE: Unless Indicated otherwise, apply Loctite 270 to all stud threads when reassembling the engine!

Replacing Oil Spray Jets For Piston Cooling
1. Using a 5 mm dia. drill bit, drill a pilot hole to approximately 2 mm depth. Remove cover, spring and ball.
2. Insert a M 5 tap (finishing tap No. 3) and pull out jet remains. If required, use M 6 tap (taper tap No. 1).

NOTE: Heat surrounding area of spray jet to facilitate removal.

4. Bond new spray jet in place using Loctite 640 or Loctite 270. Observe installation position, ball points towards bearing saddle. Bore must be free from Loctite.





5. Peen circumference of spray jet.

NOTE: Oversize spray jets are available from the Parts Supplier.

Assembly Notes
Sealing The Crankcase Mating Sections
Use only Loctite 574 to seal.

Loctite 574 hardens only when contact with metal is made and air ingress is prevented. After having applied the sealant, bolt up the crankcase sections within approximately 10 minutes since the sealant bead applied directly to the metal surface will otherwise start to cure.

Removing Old Sealant
In case of repairs, the old sealant coat must not necessarily be removed. It is sufficient to de-grease the surface and apply the new coat of sealant after the solvent has evaporated.

New Loctite will soften the old sealant embedded in the machining marks and will cure after assembly.

Should it be required to remove the old sealant, it is recommended to use a fine-mesh wire brush or Loctite adhesive remover 80646.

Applying Sealant
1. For manual application, it is recommended to use a short-pile paint roller and to pour the sealant into a dish with grooves at its circumference (for squeezing excess sealant off the roller).
2. Apply a uniform coat of Loctite 574 sealant to the left-hand crankcase section using the paint roller. Use a small paint brush to apply sealant to the areas around the bolt holes.

Crankcase Mounting Bolts, Studs And Nuts
Mounting Sequence Of Bolts

1. Lubricate 11 bolts and 24 round seals lightly with oil.

NOTE: Lubricate seals with oil only immediately before installation; never keep lubricated seals in storage for a long time.

2. Place insulators on bolts.





3. Guide round seals over the threaded zone with the tapered adapter of Special Tool P 9511, and slide on to the reduced shaft head end of the bolts.

NOTE: O-ring must not be pushed on to the bolt collar (10 mm dia.)

Prepare left and right crankcase sections for assembling. Coat mating surfaces and bearing seats of the left section lightly with Loctite No. 574.

Assemble the sections and tighten the outer crankcase M 8 nuts until there is contact between both mating surfaces.





4. Insert the prepared bolts into the right crankcase section from underneath against the metal stop.





5. Slide the tapered adapter with mounted and lubricated round seal on the threaded end.





6. Slide round seal off of the tapered adapter carefully, with A-end (thin wall) of the cylindrical sleeve.








7. Remove tapered adapter and slide round sleeve into final position carefully with the B-end (thick wall) of the cylindrical sleeve, while counterholding on the bolt head.
8. Install insulators dry and press on lightly with the cylindrical sleeve's B-end.
9. Install multiple-tooth nuts (threads lubricated with oil) finger tight.
10. Proceed with both studs for the right crankcase section (near bearing no. 1) accordingly.





11. Mount M 10 x 1,25 hexagon nut and A 10,5 spring washer on the stud, with rounded side facing the hex nut

Crankcase Tightening Diagram (Part 1 Of 2):




Crankcase Tightening Diagram (Part 2 Of 2):





12. Tighten bolts and studs with 50 Nm (36.9 ft lb) Note specified tightening sequence shown in the illustration.

NOTE: A second person should always counterhold while tightening, to avoid damaging the O-rings while turning the bolts. Use a M 14 wrench socket from ,Snap-on" or equivalent.

13. Tighten outer crankcase bolls with a final torque of 25 Nm (18 ft lb).





NOTE: After fitting the right crankcase half, a tube should be pushed on to connecting rod cylinders 1 and 4 as damage protection. If this is not done, the sealing surface may be damaged when the crankcase is turned.