Rear Alignment Procedures
NOTE:
- Check and adjust wheel adjustment values only when the specified requirements are met, refer to General Preparation).
- If the wheel alignment is to be measured at both the front and rear, start by checking and adjusting the rear axle.
- For specifications. Specifications
- Tighten nuts and bolts to the specified torque after adjustment.
- For specifications, refer to to the component under Suspension.
Procedure
- Prepare the car for checking and adjusting the wheel alignment values.
Place front wheels on rotary tables etc.
Jounce vehicle and rear and front axle 2 or 3 times and let the springs return the car to its normal height.
- Adjusting sequence (to be observed by all means):
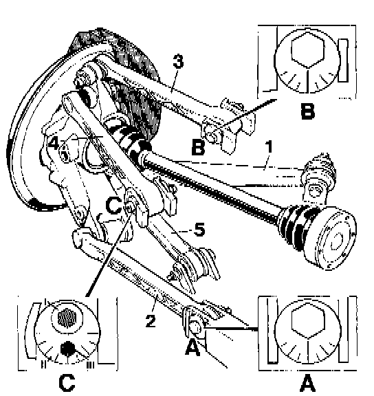
1. Toe-in. Adjust at control arm 2 - eccentric A.
2. Camber. Adjust at control arm 3 -eccentric B.
3. Kinematic change of toe-in.
- Adjust at control arm 4 - area C.
- To adjust, mount the Special Tools (measuring gauges) 9549 and 9550 to control arm 2 and control arm 5.
- Adjust at control arm 4 - area C - at eccentric washer II.
I = Mounting bolt
II = Eccentric washer
III = Hexagon socket for rotation of eccentric washer no. II.
Adjusting Toe-In
With the underbody paneling removed, turn eccentric A as required.
If only the toe-in has to be corrected (camber o.k.), the kinematic toe-in change does not have to be checked.
Adjusting Camber
- Remove cover of control arm 1/5 (bottom control arm).
Rotate eccentric B as required.
To undo the lock nut, use Special Tool 9558 in conjunction with a torque wrench.
Use Special Tool 9557 to lock at eccentric B.
If the camber setting has been corrected, the kinematic toe-in change will have to be checked as well.
- When tightening the lock nut with Special Tool 9558, observe the following: 85 Nm (63 ft lb.) at the lock nut corresponds to a setting of approx. 65 Nm (48 ft lb) at the torque wrench.
Kinematic toe-in change
Note: Both measuring gauges (Special Tool 9549 and 9550) are required both for measuring on the left-hand and on the right-hand side (interchange measuring gauges).
- Special Tool 9549 for control arm 5.
Negative scale range (long end of tool) points towards transmission side.
- Special Tool 9550 for control arm 2.
The scales are marked. The upper scale is valid for the left-hand side of the axle, and the lower scale is valid for the right-hand side of the axle.
- Check cover of control arm 2 for correct fit.
When no excessive force is applied, the cover must not shift by more than 10 mm (move to the left and right by applying only light force).
Replace cover if required.
Trapezoidal end of cover (arrow) must point towards wheel side.
- Mount Special Tool 9550 to control arm 2 (measuring surfaces must be free from dirt).
2 cutouts in the control arm cover help to locate the Special Tool correctly.
Center out cover (move to the left and right without applying any force).
Then locate cover in the center position and continue by centering out Special Tool 9550 as well.
This prevents the measuring gauge from entering the radius range of the control arm (arrow no. 2) as this would give an incorrect measurement reading.
Also make sure the measuring arms (arrows No. 1) are in perfect contact with the control arm.
- Fit special tool 9549 on control arm 5 (measuring surfaces clean) so that the negative range of the scale (long side of the gauge) faces the transmission side.
Place the tool first on the wheel side support point (support bulge).
The inner measuring arm must touch the control arm (arrow).
Readjust the spring on the special tool if necessary.
- Read off numerical values on both special tools.
The deviation between the two numerical values must be no more than 1.5 scale divisions.
The value is measured or read off at the centre of the spirit level (centre of the bubble).
- If necessary, adjust until both spirit levels (numerical values) agree.
The kinematic toe-in is then correctly adjusted.
The adjustment is made on control arm 4 (caster arm).
To do this, turn the eccentric (range C) after loosening the fastening screw.
When adjusting the kinematic toe-in, ensure that the camber values remain within the permissible tolerance.
NOTE:
- If the eccentric (range C) is at the reversal point, greater force may be necessary to turn the eccentric.
- In this case, relieve the corresponding wheel or lift the rear axle.
- Fit special tools 9549 and 9550 on the opposite rear axle side.
Also perform measurement and adjustment on this axle side as described above.
Special tool 9549 is fitted in the opposite direction, whilst the direction of special tool 9550 remains the same on the other axle side.