Operation CHARM: Car repair manuals for everyone.
Manuals through 2025 now available!

Our trusted friends have launched a new website named LEMON, which has newer manuals. It also contains all the CHARM manuals.

LEMON is the spiritual successor to CHARM, I recommend you try it!

Link: lemon-manuals.la or lemon-manuals.org.ua

(Some people have issue connecting. LEMON is investigating. For now, use Firefox or change your DNS server)

Or, hide this message: temporarily or permanently

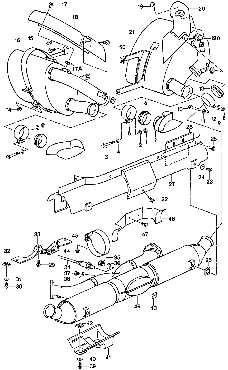
Oxygen Sensor: Diagrams







Legend
1 Lock Nut
2 Washer 8.4 x 17 x 3.1
3 Hexagon Head Bolt
4 Washer 8.4 x 17 x 3.
5 Clamp
6 Seal
7 Tailpipe
8 Lock Nut
9 Washer
10 Hexagon Head Bolt M 8 x 60
11 Washer
12 Clamp
13 Seal
14 Lock Nut
15 Tightening Strap
16 Muffler
17 Combination Screw
17a M 6 Nut Retainer
18 Heat Shield
19 Combination Screw
19a Nut Retainer
20 Heat Shield
21 Muffler
22 Combination Screw
23 Plug Stud M 6 x 12
24 Washer
25 Bracket
26 Combination Screw M 6 x 14
27 Heat Shield
28 Heat Shield
29 Combination Screw M 6 x 14
30 Plug Stud
31 Washer
32 Bracket
33 Bracket For Lock Plug
34 Oxygen Sensor
35 Plug M 18 x 1.5
36 Seal
37 Plug M 8 x 1
38 Seal
39 Lock Plug
40 Washer
41 Catalytic Converter Cover (Only For Japan Versions)
42 Bracket
43 Nut Retainer
44 Lock Nut
45 Tightening Strap
46 Catalytic Converter
47 Combination Screw
48 Bracket
49 Combination Screw M 8 x 20
50 Bracket For Muffler