Operation CHARM: Car repair manuals for everyone.
Manuals through 2025 now available!

Our trusted friends have launched a new website named LEMON, which has newer manuals. It also contains all the CHARM manuals.

LEMON is the spiritual successor to CHARM, I recommend you try it!

Link: lemon-manuals.la or lemon-manuals.org.ua

(Some people have issue connecting. LEMON is investigating. For now, use Firefox or change your DNS server)

Or, hide this message: temporarily or permanently

Partially Disassembling Transmission

Partially disassembling transmission

Note:
^ If the transmission to be opened is still in the guarantee period (3 years), the letter -R- must be imprinted after the transmission number.

Note:
^ Use the Damage Catalogue to diagnose the damage in the transmission.











Tools

Removing transmission cover
1. Remove transmission.
2. Fasten the transmission on assembly support.
3. Drain transmission oil.
4. Fix the transmission with special tool retaining device 9253 and shift into a gear.
5. Unscrew the fastening nut for the cardan shaft flange with a commercially available socket wrench insert.
6. If necessary force cardan shaft flange off with a rubber hammer.
7. Unscrew fastening screws for front transmission case cover and force transmission case cover off with a rubber hammer if necessary.

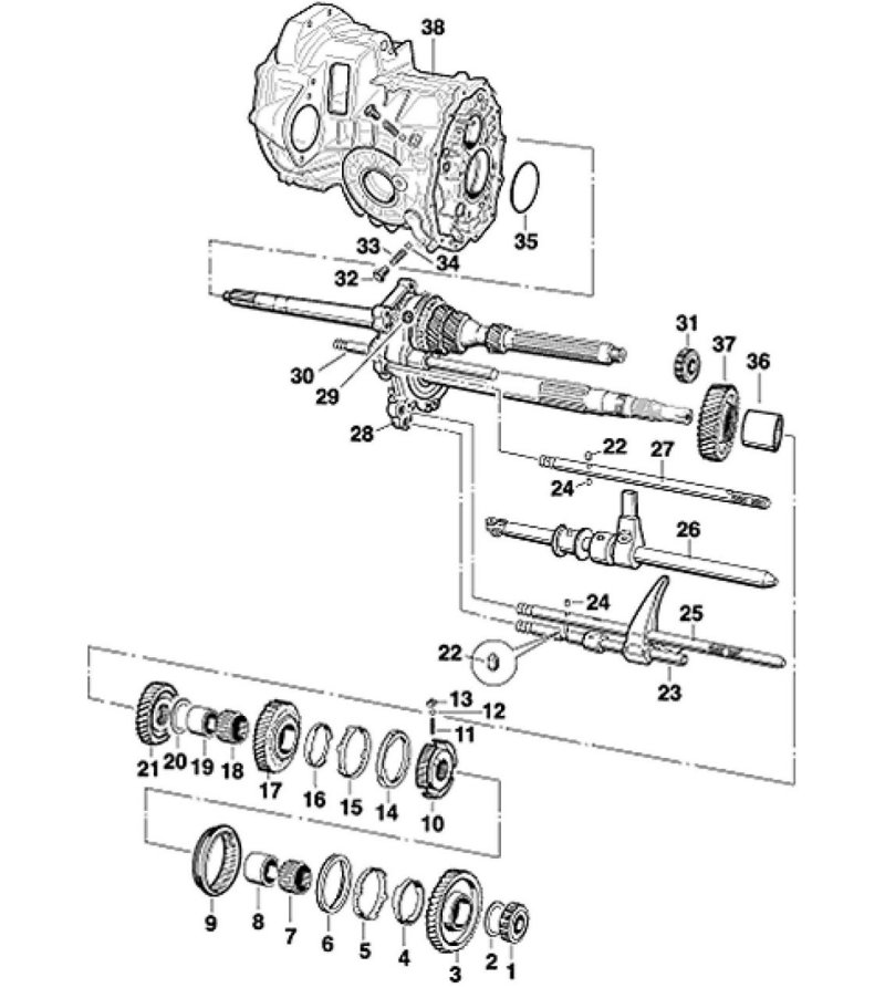
Disassembling front gear set














Overview

Disassembling gear set

Note:
^ All needle-roller bearings which are not replaced must be designated in terms of the installation position and allocation to the gear wheel.

1. Remove transmission cover.





2. Remove nut -A- on input and output shaft.
3. Unscrew clamping screw from shift forks -B-.
4. Remove fixed gearwheel for reverse gear (no. 34 in overview) from the input shaft using the puller and special tool pressure pieces 9656. When doing so, pull off bearing inner race (no. 33 in overview).
5. Remove spacer sleeve (no. 35 in overview) from the input shaft.
6. Remove loose gearwheel for reverse gear (no. 5 in overview) with needle-roller bearing (no. 7 in overview) from the output shaft using the puller. When doing so, also pull off the cylindrical-roller bearing (no. 3 in overview) and thrust plate (no. 4 in overview).
7. Push complete gear set forwards onto output shaft using two mounting levers 1 - 2 cm.
8. Push gear set back behind the bearing inner race (no. 8 in overview) and remove bearing inner race using the puller. If necessary, press the bearing inner race forwards again with the mounting lever.
9. Open up shift fork and remove complete synchronization.
10. Remove fixed gear wheel, 5th gear (no. 36 in overview) and the spacer sleeve (no. 35 in overview).
11. Remove loose gearwheel, 5th gear (no. 17 in overview) with needle-roller bearing (no. 19 in overview).
12. Remove bearing inner race (no. 20 in overview) using the puller.
13. Open up shift fork and remove complete synchronization.
14. Remove loose gearwheel, 6th gear (no. 28 in overview) with needle-roller bearing (no. 29 in overview).
15. Press the bearing inner race (no. 30 in overview) forwards with the mounting lever and remove using the puller.
16. Remove thrust plate (no. 31 in overview).

Removing gear housing
1. Remove transmission cover.
2. Disassemble front gear set.
3. Unscrew fastening screws between the gear housing and the transmission.





4. Unscrew plug screw -A- and remove the spring with locking pins.
5. If necessary force gear housing off with a rubber hammer.

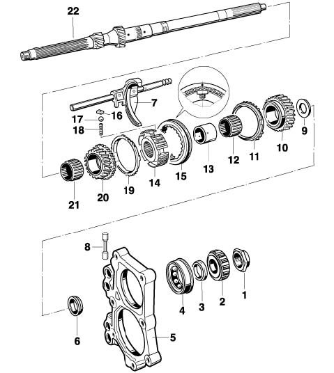
Removing input and output shaft














Overview

Removing shafts
1. Unscrew screw plugs (no. 32 in overview) of the locking elements and remove springs (no. 33 in overview) and ball (no. 34 in overview).
2. Pull out reverse gear shift rod (no. 25 in overview) and shift rods for 5th/6th gear (no. 27 in overview) towards the front. Pay attention to the intermediate lock (no. 24 in overview) and locking elements (no. 22 in overview) during this procedure.
3. Remove differential lock.
4. Remove cylindrical-roller bearing (no. 31 in overview) from input shaft using a puller.
5. Pull loose gearwheel for 1st gear (no. 3 in overview) off the input shaft with the thrust plate (no. 2 in overview) and cylindrical-roller bearing (no. 1 in overview).
6. Pull off the fixed wheel for 3rd gear (no. 21 in overview) with synchronization 1st/2nd gear (no. 16 to 4 in overview) and loose gearwheel for 2nd gear (no. 17 in overview).
7. Remove selector shaft (no. 26 in overview).

Note: A specific disassembly of the synchronization in assembled state may be recommendable as loss of the small parts can then be avoided.

8. Unscrew nuts (no. 29 in overview) and remove tensioning plate (no. 28 in overview) with shafts and remaining gearwheels.
9. Remove spacer sleeve (no. 36 in overview) and fixed wheel for 4th gear (no. 37 in overview) and take output shaft out of the tensioning plate.

Dismantling input shaft











Overview

Disassembling shaft





1. Clamp complete shaft into the vice with gear set and special tool socket wrench insert 9282.
2. Remove fastening nut.





3. Press off loose gearwheel for 3rd gear (no. 20 in overview) with synchronization (no. 11 to 19 in overview), loose gearwheel for 4th gear (no. 10 in overview) and the remaining parts (nos. 2 to 9 in overview).