Operation CHARM: Car repair manuals for everyone.
Manuals through 2025 now available!

Our trusted friends have launched a new website named LEMON, which has newer manuals. It also contains all the CHARM manuals.

LEMON is the spiritual successor to CHARM, I recommend you try it!

Link: lemon-manuals.la or lemon-manuals.org.ua

(Some people have issue connecting. LEMON is investigating. For now, use Firefox or change your DNS server)

Or, hide this message: temporarily or permanently

Removing and Installing Heating and Fresh-Air Control



Removing And Installing Heating And Fresh-Air Control

Removal
1. Remove the covers over the heating/fresh-air system, battery and fluid tank. Disconnect and remove the battery.
2. Remove steering wheel and loosen steering column panel. Comply with safety regulations when handling airbag units.







3. Undo the central screw (clamp) on the steering column switch from below and pull it forwards slightly. Remove the cover at the top and disconnect the electrical plug connections. Remove the steering column switch.







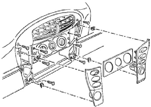
4. Loosen instrument panel and unclip right side upwards. Disconnect the electrical plug connections.







5. Remove steering-column cover (4 screws).







6. Remove radio and heating and fresh-air control. Unclip the switch panel on the left and on the right. Disconnect the electrical plug connections. Undo the retaining frame in the center and remove it.
7. Remove left side nozzle and disconnect electrical plug connection. Unclip cover of sun sensor and defroster panel and remove.
8. Undo the interior monitoring system and disconnect the electrical plug connection.
9. Remove the air guide at the bottom right. Remove the passenger's airbag unit. Comply with safety regulations when handling airbag units.
10. Remove the front cover of the center con-sole. Undo the fuse holder and diagnosis plug in the left footwell.







11. Loosen dashboard on the bottom, centre, left and right. Carefully remove the dashboard and detach the loudspeaker cable.







12. Loosen centre tunnel support at the top of supporting frame and loosen bottom tunnel holder.
13. Remove the left air guide. Only loosen the defrost channel. Undo and remove the center air distributor casing.
14. Disconnect electrical plug connection from heating and fresh-air control.







15. Loosen battery positive connection at the current distributor and current distributor at the firewall cover.
16. Clamp shut both heater hoses in front of the heat exchanger with a commercially available hose clamp. Disconnect the heating hoses on the heat exchanger and plug the connections.
17. Loosen heating and fresh-air control at the cover firewall (3 nuts).







18. Loosen holder of heating and fresh-air control on the upper right of the passenger side.
19. Carefully lower heating and fresh-air control into the footwell and remove. Do not damage the electrical plug connections or cables.

Installation
1. Ensure that the air distributor casing and air guides are correctly positioned. Engage the electrical plug connections and carefully lay the electrical cables (do not pinch).
2. Comply with safety regulations when handling airbag units.







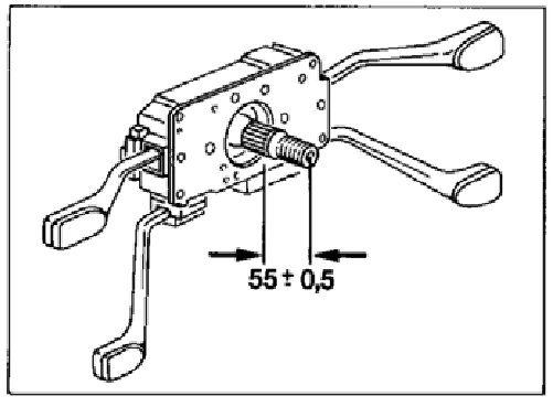
3. Set the steering column switch: Measure with a depth gauge between end of steering shaft and steering-column switch cover plate (see figure). Adjustment dimension 55 ± 0.5 mm
4. Replace gasket between current distributor and firewall if necessary. After the current distributor is mounted on the firewall (tightening torque 15 Nm (11 ftlb.)) the battery cable is tightened with a new hexagon nut M8. Tightening torque: 15 Nm (11 ftlb.)
5. The heat exchanger is connected to the engine cooling system, and coolant flows through it when the engine is running. After removing or installing the heating/fresh-air control, vent the cooling system.