Operation CHARM: Car repair manuals for everyone.
Manuals through 2025 now available!

Our trusted friends have launched a new website named LEMON, which has newer manuals. It also contains all the CHARM manuals.

LEMON is the spiritual successor to CHARM, I recommend you try it!

Link: lemon-manuals.la or lemon-manuals.org.ua

(Some people have issue connecting. LEMON is investigating. For now, use Firefox or change your DNS server)

Or, hide this message: temporarily or permanently

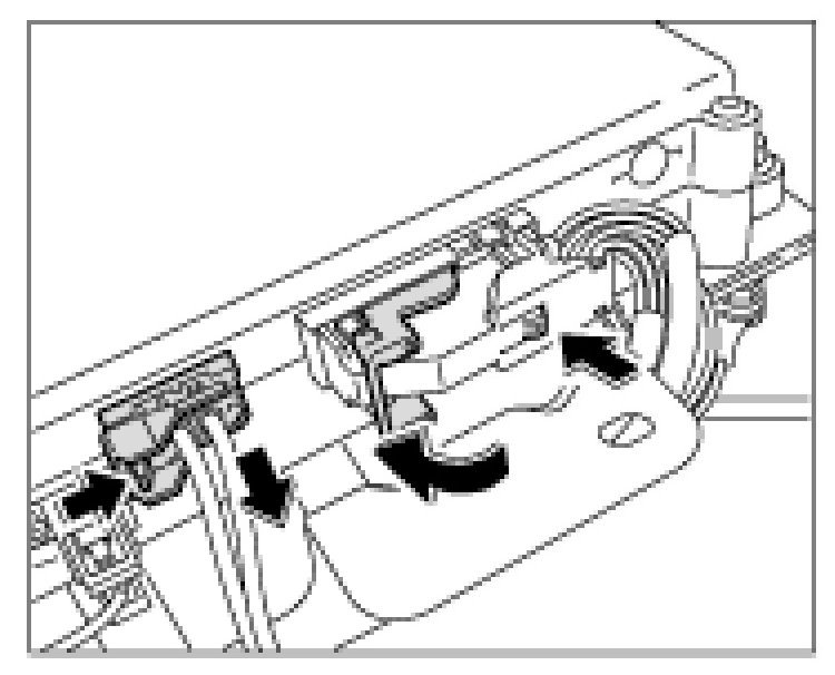
Removing and Installing Control Module For Telephone



Removing And Installing Control Module For Telephone

- Remove right front seat.
- Switch off ignition, remove key, switch off PCM or radio.

Removing control module for telephone
1. Unscrew the 4 fastening screws from the holder.







2. Unscrew the 2 fastening screws from the holder and remove the control module from the holder.







3. Disconnect the electrical plug connections.







Installing control module for telephone
1. Connect the electrical plug connections on the control module.







2. Position the control module on the holder and screw the fastening screws tight. Tightening torque 10 Nm (7.5 ftlb.).







3. Lay the holder with the control module on the floorpan and fasten with the 4 fastening screws.







- Install right front seat.