Exterior Lighting Module: Service and Repair
944919 Removing And Installing Front Control Unit
Tools
Preliminary work
Preliminary work - front control unit
Remove luggage compartment lining in the area around the front control unit.
Technical values
Technical values - front control unit
M6 7.5 ftlb.
Removing front control unit
Install location:
If a new control unit has to be installed, read out as much of the data from the old control unit as possible using the PIWIS tester 9718.
WARNING:
Risk of damage to electronic control modules.
- If care is not taken, electrical and electronic components may be destroyed.
- Before removing the control module, switch off the ignition and remove the ignition key.
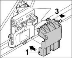
Removing the cover:
1. Unscrew fastening screw -3-.
2. Push a screwdriver into the openings -A- and unclip the four clips holding the cover -1-.
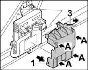
Electrical plug:
3. Release and unplug both electric connectors -A- and disengage the left and right electric lines on the control unit.
Detaching control unit:
4. Unscrew the fastening nuts -2-, lift up the control unit and detach it.
Installing front control unit
WARNING:
Risk of damage to electronic control modules.
- If care is not taken, electrical and electronic components may be destroyed.
- Before removing the control module, switch off the ignition and remove the ignition key.
Attaching control unit:
1. Insert the front control unit into the body and secure with the fastening nut -2-. Tightening torque 7.0 ftlb.
Plugging in the electrical connector and locking it:
2. Push in the electrical connector and lock it so that it is felt to engage.
3. Clip in left and right electric lines on the control unit.
Positioning the cover:
4. Position the cover -1- and push it in until it snaps into place in the four clips.
5. Screw down cover with the fastening screw -3-.
6. If a new control unit has been installed, it must be programmed in the vehicle.
Subsequent work
Subsequent work- front control unit
Secure luggage compartment lining in the area around the front control module.
Coding control unit
Reading out and printing out values
WARNING:
Sudden voltage interruption of the power supply to the control module.
- Destruction of the control module.
- During programming, it is essential to guarantee the power supply for the Porsche System tester. It is essential to connect a battery charger with a current rating of at least 40 A to the vehicle battery.
- Prior to disconnecting the control module, switch off the ignition and remove the ignition key.
NOTE:
- Follow the instructions on the Tester.
- Later versions of the software may display slightly different text or require a slightly different procedure.
- The instructions you receive from the tester itself take precedence over this description.
1. Connect the Porsche System Tester to the vehicle and start the System Tester. Switch on the ignition. ">>" Continue.
2. Select vehicle type.
3. From vehicle type, change to control units ">>".
4. Select required control unit with the cursor keys and press ">>" key.
5. Select Control unit replacement with the cursor keys and press the ">>" key.
6. Select Read out values (codings) with the cursor keys and press the ">>" key.
7. The message Codes successfully read out appears on the screen of the Porsche System Tester. Press ">>".
8. Switch off ignition and replace control unit.
9. Switch on ignition. After replacement of the control unit, the data previously read out (see Item 6) is reloaded under the menu Write in codes. Press ">>".
10. System Tester displays Coding write-in complete. Press the ">>" key.
11. Leave menu, read out all control units and erase fault memories.
12. Select front end on the control unit, carry out calibration menu.
13. Check headlight setting and adjust if necessary.
Coding the front end control unit
NOTE:
- Follow the instructions on the Tester.
- Later versions of the software may display slightly different text or require a slightly different procedure.
- The instructions you receive from the tester itself take precedence over this description.
1. Connect the Porsche System Tester to the vehicle and start the System Tester. Switch on the ignition. ">>" Continue.
2. Select vehicle type, select the special functions menu, start the vehicle handover and follow the instructions of the tester.
3. Erase all fault memories.
4. Using the ">>" key, move from the vehicle type to the list of control units. Perform the automatic control unit search.
5. Select front end with the cursor keys and press ">>" key.
6. Select coding with the cursor keys and press the ">>" key.
7. Select the variants required for the vehicle and follow the instructions of the tester.
8. Read out and erase fault memory.
9. Select front end on the control unit, carry out calibration menu.
10. Check headlight setting and adjust if necessary.