Operation CHARM: Car repair manuals for everyone.
Manuals through 2025 now available!

Our trusted friends have launched a new website named LEMON, which has newer manuals. It also contains all the CHARM manuals.

LEMON is the spiritual successor to CHARM, I recommend you try it!

Link: lemon-manuals.la or lemon-manuals.org.ua

(Some people have issue connecting. LEMON is investigating. For now, use Firefox or change your DNS server)

Or, hide this message: temporarily or permanently

Part 1

Preliminary work for disassembling engine

1. Remove engine.
2. Remove transmission.
3. Remove exhaust manifold.

Tiptronic transmission:
4. Remove drive plate for converter.

Manual transmission:
5. Remove clutch.
6. Remove flywheel.

Component overview - engine

Note: The overview graphics are shown schematically and may be slightly different to how the components actually look.





Intake system, belt drive





Engine lubrication, engine cooling





Cylinder head, crankcase





Crank drive, pistons

Disassembling engine down to crankcase

ATTENTION: Damage due to ingress of dirt
^ Oil bores/oil ducts can become blocked up.
^ When working on the engine, absolute cleanliness is essential.
^ Lay removed engine parts on a clean base and cover them without fail.
^ Use the cover for dust protection when fitting the engine NR.165 on the engine assembly support.

WARNING: Coolant is corrosive and hazardous to health.
^ Skin and eye irritation
^ Wear protective gloves and goggles.
^ If you come into contact with coolant, wash off immediately with plenty of warm water.


WARNING: Pentosin is hazardous to health
^ Danger of material damage and injury
^ Wear protective gloves and goggles.
^ If the eyes or skin come into contact with the fluid, wash immediately with water.
^ Collect emerging Pentosin. Clean hoses which come into contact with Pentosin thoroughly.
^ Use caps to protect the wiring against soiling and damage.

WARNING: Danger due to oil draining out and spraying when the engine is hot!
^ Danger of scalding and injury
^ Allow the engine to cool
^ Wear specified protective gear.


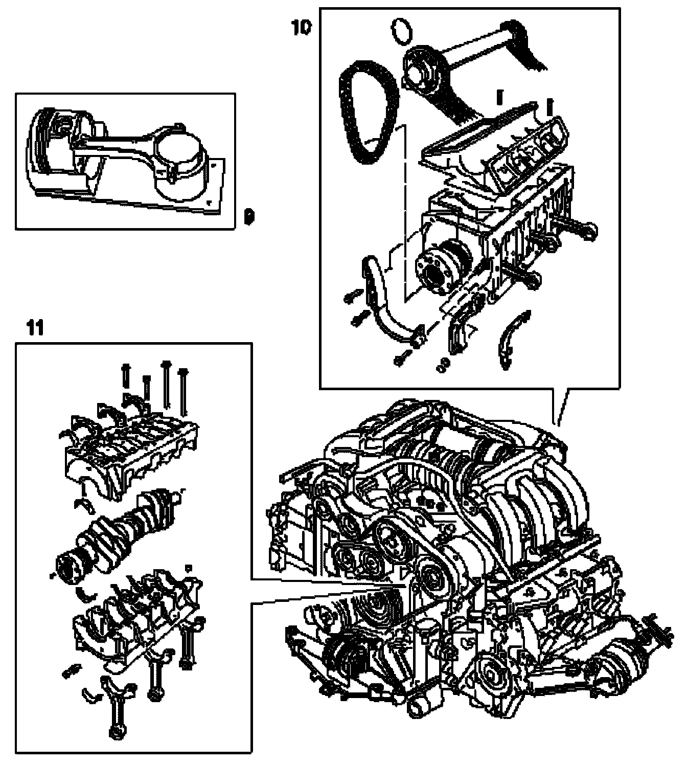
Note: The central screws of the camshaft adjustment elements must be undone before removing the cylinder head cover.

Note: The bearing housing remains screwed to the retaining device when the bearing housing and intermediate shaft are disassembled.





1. Fasten the engine support 9589 to the crankcase using special tool mounting elements 9590. Refit engine with support on the engine assembly support.





2. Drain engine oil. Unscrew the oil drain plug (hexagon socket a/f 8).





3. Remove pulley -2- of power-steering pump; to do this, counter the pulley -2- as shown using a screwdriver, then loosen and remove the three Torx screws (M8 x 12) -1 -.
4. Disconnect cable plug -2- of solenoid valves -3-.
5. Disconnect cable plug -4- of engine-temperature sensor -5-.





6. Disconnect cable plug -1- of all fuel injector valves.





7. Disconnect cable plug -arrow- of purge valve for carbon canister.





8. Loosen support for servo lines -2- by unclipping the oxygen sensor from the support -3- and unscrewing the two Torx screws (M6 x 12) -1 -. Replace screws during installation.
9. Unscrew the six fastening screws (M6 x 35) for each intake-air distributor.
10. Remove intake bridge. Replace gaskets during installation.





11. Remove the cover for drive belt by unscrewing the three Torx screws (M6 x 12) -arrows-. Replace screws during installation.
12. Disconnect D+ cable plug -1 - on generator.





13. Unscrew collar nut (M8) -2- and remove ground B+ line -3-.





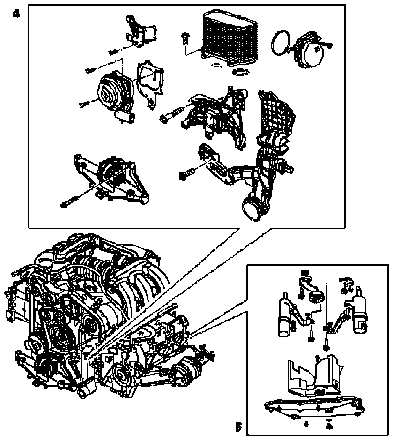
14. Remove generator -3- by unscrewing the Torx screws (M10 x 35) -1- and (M10 x 145) -2-. The deflection roller is removed together with the generator -3-.





15. Remove oil filler neck -2- by unscrewing the two Torx screws (M6 x 11) -1 -. During installation, replace screws with new ones. Replace O-ring and plugs during installation.
16. Unscrew union nut of servo pressure line (a/f 16) -1 -.





17. Remove power-steering pump with the lines by unscrewing the three Torx screws (M8 x 30) -3- and the Torx screw (M8 x 12) -2-.





18. Remove power-steering pump support -2- by unscrewing the four Torx screws (M8 x 35) -1-. The power-steering pump support -2- is additionally fixed with roll pins; if necessary use a rubber hammer for the removal.





19. Remove the positive crankcase ventilation line -1 - by releasing and disconnecting the rapid-action couplings -arrows-. Replace O-rings during installation.
20. Unscrew collar nut (M8) -1 - and remove terminal 30 line -2-.





21. Unscrew collar nut (M6) -3- and remove terminal 50 line -4-.








22. Remove engine wire harness; to do this, remove all remaining cable plugs, unscrew Torx screws (M6 x1 2) -1 - of the ground straps -2- and unscrew two Torx screws (M6 x 12) and (M8 x 20) for each of the plastic cable wiring harness guides.





23. Remove Oil-water heat exchanger -1- by unscrewing the four Torx screws (M6 x 16) -2-. Replace all O-rings during installation.





24. Remove oil mist separator-3- by unscrewing the two Torx screws (M6 x 20) -1- and loosening the spring band clamp -2-. Pull oil mist separator -3- from the cylinder head and pull off the hose. Replace O-ring and screws during installation.





25. Unscrew three Torx screws (M6 x 20) -1 - on the bracket for the secondary air pump.





26. Unscrew two Torx screws (M6 x 20) -1- on the flange of the secondary air pump -2-. Remove secondary air pump. Replace both metal seals during installation.





27. Remove starter -2-; by unscrewing the two Torx screws (M10 x 35) -1-.
28. Remove knock sensors -2- by unscrewing one Torx screw (M8 x 35) respectively -1-. Mark the position of the electric connection for re-installation.
29. Unscrew oil level sensor with a ring wrench (a/f 19) -3-. Replace copper sealing ring during installation.





30. Remove spacer sleeve -4-.





31. Unscrew oil pressure sender with a ring wrench (a/f 24) -1-. Replace aluminum sealing ring during installation.





32. Remove connection piece for positive crankcase ventilation -2- by unscrewing the two Torx screws (M6 x 11) -1-. Replace O-ring and screws during installation.





33. Remove both hall senders -2- by unscrewing one Torx screw (M6 x 11) respectively -1 -. Replace O-rings during installation.
34. Remove deflection roller by unscrewing the Torx screw (M8 x 60). Inspect deflection roller for damage and wear; in particular check that operation is smooth.
35. Remove engine ground strap on cylinder 1 - 3 by unscrewing the Torx screw (M8 x 30).





36. Remove crankshaft belt pulley by countering the belt pulley with special tool retaining device 9593 and screwing out central screw (M16 x 60).
37. Remove engine mountings by unscrewing the three hexagon-head bolts (M10 x 120) and the hexagon-head bolt (M10 x 80). Only the left upper hexagon-head bolt (M10 x 120) can be loosened. The hexagon-head bolt cannot be unscrewed until the engine mounting has been removed.
38. Tiptronic only: Remove the clip for belt routing by unscrewing the two Torx screws (M6 x 12) .
39. Remove coolant guide housing by unscrewing the five external Torx screws (M6 x 35) and three internal Torx screws (M6 x 20). Replace O-rings during installation.





40. Remove ignition coils -1- by unscrewing the two Torx screws (M6 x 25) -2-.





41. Remove crankshaft pulse sender -1- by unscrewing the two Torx screws (M6 x 15) -2-.





42. Remove cooling water lines -1- and -2- by unscrewing the two Torx screws (M6 x 16) -3-.





Remove water pump by unscrewing the six hexagon-head bolts (M6 x 25, M6 x 30) -arrows-. Replace metal seal during installation.

43. Remove thermostat housing. Unscrew four Torx screws (M6 x 20) and remove housing complete with thermostat. Replace seal during installation.








44. Remove tandem pump by unscrewing the four Torx screws (M6 x 30) -arrows-. During installation, note the position of the pump drive with respect to the groove on the camshaft sprocket. Both parts must be in line in the installation position. Otherwise the pump drive must be rotated. Replace O-ring and screws during installation.
45. Remove solenoid hydraulic valve for camshaft adjustment.





46. Remove coolant adapter by unscrewing the six Torx screws (M6 x 20) -arrows-. Replace metal seal during installation.








47. Remove brackets for oxygen sensor cables by unscrewing the five Torx screws (M6 x 12) -arrows-.
48. Remove all remaining plastic accessories (clips, supports etc.).
49. Remove engine lifting bracket -1- by unscrewing the two Torx screws (M6 x 16) -2-.





50. Remove supports -3- by unscrewing the Torx screw (M6 x 12) -4-.
51. Remove spark plugs.